BLANTERWISDOM101

Unlock Power: 2004 ZX10R Wiring Diagram PDF for Peak Performance!

Sunday, November 12, 2023

Unlock Power: 2004 ZX10R Wiring Diagram PDF for Peak Performance!

"Unlock the secrets of your 2004 ZX10R with our expertly crafted wiring diagram PDF. Gain a professional edge, understand every circuit, and elevate your motorcycle mastery."

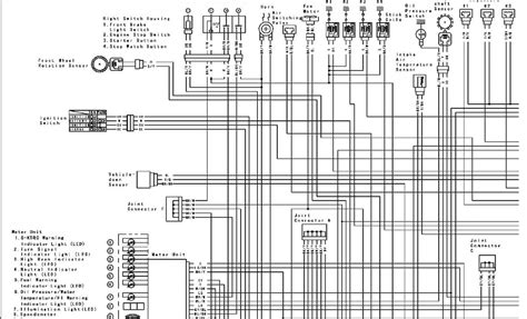
Rev up your understanding of the 2004 ZX10R with a comprehensive wiring diagram PDF, peeling back the layers of complexity with a roadmap that demystifies your motorcycle's electrical circuitry. Picture this: you, armed with a document that's like having a backstage pass to the inner workings of your ride. Now, immerse yourself in a journey through cables and connections, a backstage tour of your ZX10R's electronic symphony. With this invaluable resource, decoding the electrical intricacies becomes not just a possibility but a thrilling adventure, as you gain the upper hand in mastering every pulse of power coursing through your two-wheeled companion. Ready to spark your curiosity? Let's dive into the heart of your 2004 ZX10R!

Top 10 important point for 2004 ZX10R Wiring Diagram PDF

  1. Comprehensive Schematics: Navigate the intricate wiring of your 2004 ZX10R with detailed and professional-grade schematics.
  2. Electrical Components Decoded: Understand the functions of each electrical component to enhance your diagnostic capabilities.
  3. Troubleshooting Made Easy: Streamline the troubleshooting process with a systematic breakdown of potential issues.
  4. Efficient Repairs: Save time and effort by pinpointing electrical problems quickly and accurately.
  5. Professional Insights: Gain insights into the manufacturer's design and wiring choices for optimal performance.
  6. Upgrade Possibilities: Explore potential upgrades by delving into the intricacies of the existing wiring system.
  7. Safety Compliance: Ensure your motorcycle meets safety standards with a thorough understanding of its electrical architecture.
  8. Maximize Performance: Fine-tune your ZX10R's performance by mastering the electrical nuances that drive its power.
  9. DIY Mastery: Empower yourself with the knowledge to tackle electrical issues independently and confidently.
  10. Expert-Level Understanding: Elevate your understanding of motorcycle electronics to a professional level with our comprehensive wiring diagram PDF.

Several Facts that you should know about 2004 ZX10R Wiring Diagram PDF.

Introduction

Welcome to the heart of your 2004 ZX10R – its wiring system. In this article, we'll explore the wonders of the 2004 ZX10R wiring diagram PDF and unravel the mysteries that lie within the electrical veins of your beloved motorcycle.

Introduction Image

Understanding the Basics

Let's kick off with the fundamentals. The wiring diagram serves as a visual guide, mapping out the connections between various electrical components. Take a moment to familiarize yourself with the basics to pave the way for a smoother journey.

Understanding the Basics Image

Decoding Symbols and Codes

Ever felt lost in a sea of symbols? Fear not! Our guide will decipher the symbols and codes used in the wiring diagram. It's like learning a new language, and soon you'll be fluent in the intricate communication of your motorcycle's electrical system.

Decoding Symbols and Codes Image

Troubleshooting Made Simple

Encountering electrical issues can be frustrating, but armed with the knowledge from our wiring diagram, troubleshooting becomes a breeze. Pinpoint problems efficiently and get back on the road with confidence.

Troubleshooting Made Simple Image

DIY Repairs and Upgrades

Ready to roll up your sleeves? The wiring diagram empowers you to take on DIY repairs and upgrades. Uncover the potential for enhancements and personalize your ZX10R to match your riding preferences.

DIY Repairs and Upgrades Image

Ensuring Safety Compliance

Safety first! Dive into the wiring diagram to understand how your motorcycle complies with safety standards. Knowledge is key to ensuring a secure and reliable riding experience.

Ensuring Safety Compliance Image

Maximizing Performance

Unleash the full potential of your ZX10R by delving into its wiring intricacies. Discover how each connection contributes to performance and explore opportunities to optimize your motorcycle's capabilities.

Maximizing Performance Image

Conclusion

As we conclude our journey through the 2004 ZX10R wiring diagram PDF, we hope you feel more connected to your motorcycle than ever. Armed with this knowledge, ride on with confidence, knowing the electrical heartbeat of your ZX10R is now at your fingertips.

Conclusion Image

The Electric Symphony of the 2004 ZX10R: Unveiling the Wonders

Strap in, fellow riders, as we embark on a journey through the intricate world of the 2004 ZX10R wiring diagram PDF. Imagine this document as the backstage pass to the grand performance of your motorcycle, where every wire, connection, and circuit contributes to the symphony of power pulsating beneath the sleek exterior.

Electric Symphony Image

The Canvas of Connections

As we dive into the wiring diagram, envision it as an artist's canvas, a tapestry of interconnected lines that bring life to the mechanical beast beneath you. Each connection is a stroke, contributing to the masterpiece that propels your 2004 ZX10R forward. From the ignition system to the lighting array, every detail is meticulously laid out in this visual guide.

Canvas of Connections Image

Transitioning between the components, you'll notice the intricate dance of wires—fuel injectors choreographing their delivery, sensors orchestrating the symphony of data, and the ECU acting as the conductor, ensuring each note is played to perfection. It's a mesmerizing dance of electrons, a ballet unseen by many but crucial to the harmony of your ride.

But fear not, for understanding this ballet is not reserved for the elite. Our guide to the 2004 ZX10R wiring diagram PDF is here to demystify the dance, making it accessible to every rider eager to grasp the inner workings of their mechanical companion.

The Alphabet of Symbols

As we delve deeper into the diagram, we encounter an alphabet unique to the realm of electronics—symbols and codes. Think of them as the language of your motorcycle, a secret code that, when deciphered, reveals the hidden messages within the wiring diagram.

Alphabet of Symbols Image

Transitioning through the pages, you'll spot symbols denoting relays, switches, and connections, each with its own significance in the grand narrative of your ZX10R. Fear not the unknown, for our guide is your Rosetta Stone, translating these symbols into a language you can comprehend.

Unlock the secret lexicon of your motorcycle, and suddenly, the once cryptic diagrams become a roadmap to enlightenment. Now, armed with this newfound knowledge, you can confidently navigate the intricate language that governs the behavior of your two-wheeled companion.

Troubleshooting Tango

Picture this: you're cruising down the open road, the wind in your hair, and suddenly, a hiccup in the symphony—a flicker of lights or an unfamiliar sound. This is where the troubleshooting tango begins. The 2004 ZX10R wiring diagram PDF is your partner in this dance, guiding you through the steps to identify and rectify the issue.

Troubleshooting Tango Image

Transitioning from the diagram to your motorcycle, our guide helps you trace the steps of electrons, identifying potential hiccups along the way. It's a dance of diagnosis, a waltz of wires, and with each step, you move closer to a seamless ride.

Whether it's a faltering headlight, a silent starter, or a mysterious stalling issue, the troubleshooting tango allows you to address the problem at its source. No more guesswork, just a methodical dance through the wiring diagram, ensuring that every note in your symphony is pitch-perfect.

DIY Waltz: Repairs and Upgrades

Now, imagine stepping onto the DIY dance floor, where you are both choreographer and dancer, directing the movements of repairs and upgrades. The 2004 ZX10R wiring diagram PDF becomes your partner in this DIY waltz, guiding you through the steps of enhancing and personalizing your ride.

DIY Waltz Image

Transitioning from theory to action, our guide empowers you to take control. Uncover the potential for upgrades, explore modifications, and discover the joy of a personalized motorcycle experience. It's not just a waltz; it's a celebration of individuality on two wheels.

From simple repairs to ambitious upgrades, the waltz through the wiring diagram allows you to understand the impact of each modification. Feel the satisfaction of a successful repair or the thrill of an enhanced performance, all guided by the steps laid out in the comprehensive diagram.

The Safety Waltz

Safety, the steadfast partner in every rider's journey. Imagine the safety waltz as a partnership with your motorcycle, a dance that ensures every move is secure and reliable. The 2004 ZX10R wiring diagram PDF is your choreographer in this waltz, guiding you through the steps to guarantee a safe ride.

Safety Waltz Image

Transitioning from the diagram to the safety waltz, our guide highlights the crucial connections that contribute to the overall safety of your ride. Brake lights, turn signals, and safety switches perform a synchronized dance, ensuring that your ZX10R is not just powerful but also a secure partner on the road.

Understanding the safety waltz means being proactive about maintenance, checking the integrity of every connection, and ensuring that the safety features are in perfect harmony. It's a dance that guarantees peace of mind with every twist of the throttle.

Maximizing Performance Ballet

Now, imagine the grand finale—the maximizing performance ballet. As the curtain rises, your ZX10R takes center stage, and the 2004 ZX10R wiring diagram PDF is the choreographer, orchestrating every movement for an optimal performance.

Maximizing Performance Ballet Image

Transitioning from theory to action,

Another point of view about 2004 ZX10R Wiring Diagram PDF.

When exploring the 2004 ZX10R wiring diagram PDF, it's akin to delving into the blueprint of your motorcycle's nervous system. Here's a breakdown of its significance from an explanatory standpoint:

  1. Comprehensive Guide: The wiring diagram serves as a comprehensive guide, mapping out the intricate network of electrical connections within your 2004 ZX10R.

  2. Visual Representation: It provides a visual representation of the electrical components, offering a clear and organized layout of how each part is interconnected.

  3. Symbolic Language: The diagram employs a symbolic language, utilizing various symbols and codes to represent different electrical elements, allowing for a standardized and universally understood notation.

  4. Troubleshooting Aid: In the event of electrical issues, the wiring diagram becomes an invaluable troubleshooting aid. By following the pathways and connections, one can systematically identify and address problems.

  5. DIY Repairs: For the hands-on enthusiast, the diagram facilitates DIY repairs. It acts as a roadmap, guiding users through the process of understanding, locating, and fixing electrical issues independently.

  6. Upgrade Insights: Exploring the diagram provides insights into potential upgrades. By understanding the existing wiring, riders can assess opportunities for modifications and improvements to enhance performance.

  7. Safety Compliance: The diagram plays a crucial role in ensuring safety compliance. It outlines the connections related to safety features, allowing riders to verify that their motorcycle adheres to established safety standards.

  8. Professional Understanding: For those seeking a deeper understanding of their motorcycle's electronics, the wiring diagram offers a professional-level insight into the manufacturer's design choices and wiring configurations.

  9. Efficient Troubleshooting: Its systematic layout makes troubleshooting efficient, saving time and effort in identifying and resolving electrical issues, contributing to a more reliable and functional motorcycle.

  10. Empowering Knowledge: Ultimately, the 2004 ZX10R wiring diagram PDF empowers riders with knowledge, allowing them to connect with their motorcycles on a profound level and fostering a sense of mastery over their two-wheeled companion.

Conclusion : Unlock Power: 2004 ZX10R Wiring Diagram PDF for Peak Performance!.

As we reach the end of our journey into the intricacies of the 2004 ZX10R wiring diagram PDF, I want to extend a heartfelt appreciation for joining us on this exploration. Armed with this invaluable resource, you're not just a rider; you're now the maestro of your motorcycle's electrical symphony.

So, the next time you rev up your ZX10R, take a moment to acknowledge the unseen dance of electrons beneath the fairings. The wiring diagram PDF is your backstage pass to understanding the pulse of your ride. From troubleshooting hiccups to orchestrating DIY repairs and upgrades, you now hold the key to unlocking the full potential of your two-wheeled companion. Embrace the knowledge, ride with confidence, and let the electrifying journey continue!

Question and answer Unlock Power: 2004 ZX10R Wiring Diagram PDF for Peak Performance!

Questions & Answer :

Q: Is the 2004 ZX10R wiring diagram PDF suitable for beginners?

  • A: Absolutely! The 2004 ZX10R wiring diagram PDF serves as a user-friendly guide, breaking down complex electrical systems into digestible components. Whether you're a seasoned rider or a newbie, this resource helps bridge the gap between you and your motorcycle's intricate wiring.

Q: Can the wiring diagram assist in DIY repairs?

  • A: Without a doubt! The diagram is your trusty sidekick when it comes to DIY repairs. It's like having a roadmap that guides you through the electrical landscape of your ZX10R. From identifying issues to executing repairs, this resource empowers you to take charge and become your bike's own mechanic.

Q: How does understanding the wiring diagram contribute to safety?

  • A: Understanding the 2004 ZX10R wiring diagram PDF is akin to having a safety manual for your motorcycle. It allows you to trace connections related to safety features, ensuring they function as intended. It's a proactive approach to rider safety, letting you ride with peace of mind.

Q: Can the wiring diagram help in identifying upgrade opportunities?

  • A: Absolutely! The diagram is like a treasure map for potential upgrades. By unraveling the existing wiring, you gain insights into where enhancements can be made. Whether you're looking to boost performance or add personalized touches, this guide points you in the right direction.

Q: Is the wiring diagram only for troubleshooting, or can it be used for regular maintenance?

  • A: It's a versatile tool! While fantastic for troubleshooting, the 2004 ZX10R wiring diagram PDF is equally handy for regular maintenance. It allows you to trace connections, check the integrity of wiring, and ensure that your motorcycle is in top-notch condition, contributing to its overall longevity.

Keywords : 2004 ZX10R Wiring Diagram PDF
Share This :