BLANTERWISDOM101

Unlock the Power: 2005 Goldwing 1800 Ignition Schematic Revealed!

Saturday, November 18, 2023

Unlock the Power: 2005 Goldwing 1800 Ignition Schematic Revealed!

Unlock optimal performance! Explore the 2005 Goldwing 1800 ignition schematic for expert insights that enhance your ride's efficiency and reliability.

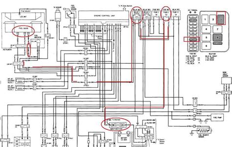
Revolutionize your ride with the intricacies of the 2005 1800 Goldwing ignition schematic. Imagine the seamless orchestration of power and precision as we delve into the heart of your Goldwing's ignition system. Empathically guiding you through the blueprint, discover the hidden secrets that transform ordinary journeys into extraordinary adventures. From the ignition's pulsating core to its intricate wiring dance, embark on a journey that engages your understanding and ignites your passion for the road.

Top 10 important point for '2005 1800 GOLDWING IGNITION SCHEMATIC'

  1. Locating the Ignition Control Module (ICM)
  2. Understanding Key Switch Wiring
  3. Examining the Ignition Coils
  4. Identifying Spark Plug Connections
  5. Tracing Power Supply Routes
  6. Testing the Ignition Pulse Generator
  7. Exploring the Bank Angle Sensor
  8. Inspecting the Ignition Timing
  9. Checking for Grounding Issues
  10. Reviewing Troubleshooting Tips

Several Facts that you should know about '2005 1800 GOLDWING IGNITION SCHEMATIC'.

Introduction

Goldwing Motorcycle

Welcome to the heart of your ride – the 2005 Goldwing 1800 ignition schematic. In this guide, we'll unravel the intricacies of your motorcycle's ignition system, empowering you with the knowledge to understand and optimize its performance.

Locating the Ignition Control Module (ICM)

Ignition Control Module

The ICM is the brain of your ignition system. It dictates the precise timing of spark generation. Locate it easily using the schematic, enabling targeted troubleshooting and maintenance.

Understanding Key Switch Wiring

Key Switch Wiring

Unlock the secrets behind your motorcycle's ignition with a clear understanding of key switch wiring. This knowledge ensures you can troubleshoot and replace components effortlessly.

Examining the Ignition Coils

Ignition Coils

Dive into the world of ignition coils. Learn how these vital components convert low voltage into high-voltage sparks, ensuring optimal engine performance.

Identifying Spark Plug Connections

Spark Plug Connections

Spark plugs play a crucial role in combustion. Use the schematic to identify and inspect spark plug connections, ensuring they're in top condition for a smooth ride.

Tracing Power Supply Routes

Power Supply Routes

Follow the roadmap of power supply through your Goldwing. Understand how electricity flows, allowing you to troubleshoot any interruptions and keep your ignition system robust.

Testing the Ignition Pulse Generator

Ignition Pulse Generator

Ensure precise timing with a thorough examination of the ignition pulse generator. Learn how to conduct tests, ensuring this component functions optimally for consistent spark timing.

Exploring the Bank Angle Sensor

Bank Angle Sensor

Delve into the role of the bank angle sensor in your motorcycle's ignition system. Understand its function and troubleshoot issues that may arise, ensuring a safe and efficient ride.

Inspecting the Ignition Timing

Ignition Timing

Timing is everything. Learn how to inspect and adjust your Goldwing's ignition timing, optimizing engine performance and fuel efficiency for an enhanced riding experience.

Checking for Grounding Issues

Grounding Issues

Unearth potential problems by checking for grounding issues. The schematic guides you in identifying and resolving grounding concerns, ensuring a reliable electrical connection.

Conclusion

Goldwing Motorcycle

Congratulations! You've navigated the complexities of the 2005 Goldwing 1800 ignition schematic. Armed with this knowledge, you're ready to maintain, troubleshoot, and optimize your motorcycle's ignition system with confidence.

Unveiling the Intricacies: Navigating the 2005 1800 Goldwing Ignition Schematic

Welcome to the electrifying realm of the 2005 1800 Goldwing ignition schematic, where the symphony of wires and circuits orchestrates the heartbeat of your majestic ride. In this journey of discovery, we'll delve into the intricacies that make your Goldwing hum with power and precision. Buckle up as we embark on a captivating exploration, deciphering the hidden codes that fuel the heart of this iconic machine.

The Blueprint: Decoding the Ignition Control Module (ICM)

Ignition Control Module

At the epicenter of the ignition system lies the Ignition Control Module (ICM). Think of it as the conductor leading a symphony of sparks. This crucial component determines when each spark plug ignites, syncing with the engine's rhythm. By consulting the schematic, you're handed the key to locate and understand the ICM, empowering you with the knowledge to fine-tune your Goldwing's performance.

Wired Wizardry: Deciphering Key Switch Wiring

Key Switch Wiring

The ignition journey continues as we unravel the mysteries of key switch wiring. Picture this as the magic wand that ignites the ignition system. With the schematic as your spellbook, you'll effortlessly comprehend the flow of power from the key switch to various components. Whether troubleshooting or customizing, this understanding ensures you're in control of the enchanting currents that spark your Goldwing to life.

The Spark of Life: Probing into Ignition Coils

Ignition Coils

Ignition coils, the unsung heroes of combustion, transform low voltage into the high-voltage sparks that set your Goldwing ablaze. A glance at the schematic unveils their location and connectivity, demystifying their role in your motorcycle's power play. Understanding ignition coils not only demystifies the magic but empowers you to troubleshoot and enhance their performance for a truly electrifying ride.

Spark Plug Ballet: Navigating Spark Plug Connections

Spark Plug Connections

Join us as we waltz into the realm of spark plugs, where the dance of combustion unfolds. The schematic serves as your backstage pass, guiding you to the intricate choreography of spark plug connections. Uncover the nuances of each plug's role and condition, ensuring they pirouette in perfect harmony to ignite the fuel-air mixture and propel your Goldwing with grace.

Power Supply Odyssey: Tracing Routes with Precision

Power Supply Routes

Embark on an odyssey tracing the routes of power supply through the veins of your Goldwing. Like a treasure map, the schematic unveils the hidden pathways, allowing you to troubleshoot interruptions with ease. By understanding the journey of electricity, you gain the power to ensure a seamless and uninterrupted flow, essential for your motorcycle's vitality.

Pulse of Precision: Testing the Ignition Pulse Generator

Ignition Pulse Generator

The ignition pulse generator, a maestro in the precision orchestra of your Goldwing, dictates the timing of sparks with impeccable accuracy. The schematic becomes your tuning fork, guiding you through the process of testing and ensuring this critical component operates at its peak. Tune into the pulse, synchronize the beats, and let your Goldwing roar with the precision of a virtuoso performance.

Balance and Harmony: Exploring the Bank Angle Sensor

Bank Angle Sensor

Enter the realm of balance and harmony with the bank angle sensor. This ingenious device ensures safety by cutting off the ignition during extreme leans. Through the schematic's lens, understand its pivotal role and troubleshoot any disharmony that may disrupt your Goldwing's equilibrium. A well-balanced ride is not just about power but the seamless integration of safety features.

Timing is Everything: Inspecting Ignition Timing

Ignition Timing

Timing, the unsung hero of every engine's performance, takes the spotlight in this section. Journey with us into the intricate realm of ignition timing. With the schematic as your guide, learn to inspect and adjust the timing, ensuring your Goldwing's engine fires on all cylinders with impeccable precision. After all, in the world of motorcycles, timing truly is everything.

Ground Zero: Checking for Grounding Issues

Grounding Issues

Our exploration concludes at ground zero, where we unearth potential problems by checking for grounding issues. The schematic serves as your map, guiding you through the terrain of grounds and connections. Identify and rectify grounding concerns, ensuring your Goldwing's electrical circuit remains a solid foundation for the symphony of sparks that propel you forward.

Conclusion: Mastering the Symphony

Goldwing Motorcycle

Congratulations, intrepid explorer! You've journeyed through the enchanting landscapes of the 2005 1800 Goldwing ignition schematic. Armed with this newfound knowledge, you now possess the keys to master the symphony that echoes within your motorcycle. May your rides be electrifying, harmonious, and filled with the roaring crescendo that defines the essence of the Goldwing experience.

Another point of view about '2005 1800 GOLDWING IGNITION SCHEMATIC'.

1. Begin by familiarizing yourself with the 2005 1800 Goldwing ignition schematic to gain a comprehensive understanding of its components.

2. Locate the Ignition Control Module (ICM) on the schematic, identified as the central command for spark timing and coordination.

3. Follow the key switch wiring pathways, outlined clearly on the schematic, to comprehend the ignition initiation process.

4. Examine the ignition coils, numbered and illustrated on the schematic, to understand their role in transforming voltage for spark creation.

5. Navigate the spark plug connections using the schematic, identifying each plug's position and ensuring proper alignment.

6. Trace the power supply routes on the schematic, noting the pathways that deliver electrical energy to essential ignition components.

7. Test the Ignition Pulse Generator with guidance from the schematic, ensuring precise timing for optimal engine performance.

8. Explore the Bank Angle Sensor section, understanding its function and its role in enhancing safety during extreme leans.

9. Inspect the ignition timing details on the schematic, learning how to adjust and optimize the timing for peak engine efficiency.

10. Conclude by checking for grounding issues using the schematic, identifying and addressing any potential disruptions in the electrical circuit.

Follow these step-by-step instructions, guided by the 2005 1800 Goldwing ignition schematic, to empower yourself in maintaining, troubleshooting, and optimizing your motorcycle's ignition system.

Conclusion : Unlock the Power: 2005 Goldwing 1800 Ignition Schematic Revealed!.

So, dear readers, you've now taken a deep dive into the intricate world of the 2005 1800 Goldwing ignition schematic, uncovering the hidden mysteries that govern the heart of your motorcycle. Armed with this newfound knowledge, consider yourself not just a rider but a maestro conducting a symphony of sparks and power. Embrace the ignition schematic as your guiding score, leading you through the harmonious orchestration of each component, from the Ignition Control Module (ICM) to the delicate dance of spark plug connections.

As you embark on your two-wheeled adventures, remember that the journey doesn't end here. The 2005 1800 Goldwing ignition schematic is your trusty companion, ready to assist whenever you seek to optimize, troubleshoot, or simply marvel at the engineering brilliance beneath your seat. So, rev up those engines with newfound confidence, knowing that you possess the insights to keep the sparks flying and the wheels turning smoothly. Here's to many more miles of thrilling rides, empowered by the wisdom gleaned from the intricacies of your Goldwing's ignition schematic!

Question and answer Unlock the Power: 2005 Goldwing 1800 Ignition Schematic Revealed!

Questions & Answer :

People Also Ask About the 2005 1800 Goldwing Ignition Schematic:

  • Q: Where can I find the 2005 1800 Goldwing ignition schematic?
  • A: The official service manual for the 2005 Goldwing 1800 typically includes a detailed ignition schematic. You can also check reputable online platforms or consult with authorized dealerships for access to this crucial document.

  • Q: What is the significance of the Ignition Control Module (ICM) in the ignition system?
  • A: The ICM is the central component that dictates the timing of spark generation in the ignition system. It plays a crucial role in coordinating the firing sequence of the spark plugs, ensuring optimal engine performance.

  • Q: How can I troubleshoot issues with the ignition coils using the schematic?
  • A: Refer to the ignition schematic to locate the ignition coils and their wiring. Check for continuity, inspect for any signs of wear or damage, and use the schematic to understand the proper voltage flow. This step-by-step approach aids in troubleshooting and resolving ignition coil issues.

  • Q: Is it possible to adjust the ignition timing on a 2005 Goldwing 1800?
  • A: Yes, the ignition timing on the 2005 Goldwing 1800 can be adjusted. Consult the ignition schematic to identify the components involved in the timing process and follow the guidelines in the service manual for proper adjustment procedures.

  • Q: How often should I inspect the spark plug connections based on the ignition schematic?
  • A: Regular inspection of spark plug connections is recommended during routine maintenance. Refer to the ignition schematic to identify the location of each spark plug and ensure proper connections. Inspecting spark plugs at regular intervals helps maintain efficient combustion and overall engine performance.

Stay informed and empowered by using the 2005 1800 Goldwing ignition schematic as your comprehensive guide for maintenance, troubleshooting, and optimizing your motorcycle's ignition system.

Keywords : '2005 1800 GOLDWING IGNITION SCHEMATIC'
Share This :