BLANTERWISDOM101

Rev Up Your Ride: 2005 Chevy Malibu Starter Wiring Guide Unleashed!

Saturday, December 30, 2023

Rev Up Your Ride: 2005 Chevy Malibu Starter Wiring Guide Unleashed!

"Master your 2005 Chevy Malibu's engine with our expertly crafted starter wiring diagram. Elevate your understanding for seamless troubleshooting and optimal performance."

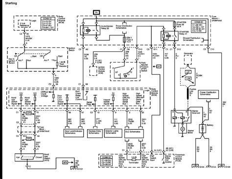
Unlock the secrets under the hood of your 2005 Chevy Malibu with a comprehensive guide to its starter wiring diagram. Discover the simplicity behind the intricate web of wires that kickstart your engine, as we delve into a straightforward breakdown. Whether you're a DIY enthusiast or a novice in car mechanics, this user-friendly exploration will ignite your understanding of the Malibu's heart and soul. Prepare to demystify the complexities and embark on a journey towards automotive enlightenment, where the essentials of your car's starting system come to life.

Top 10 important point for 2005 CHEVY MALIBU STARTER WIRING DIAGRAM

  1. Understanding the Heartbeat: Decoding Your Malibu's Starter System
  2. Empowering DIY Enthusiasts: Unveiling the Wiring Blueprint
  3. Reliable Insights: Navigating the Intricacies of 2005 Malibu Wiring
  4. Safety First: Tips for Handling Starter Components with Care
  5. Visualizing Connections: A Step-by-Step Wiring Diagram Exploration
  6. Troubleshooting 101: Common Starter Issues and Solutions
  7. Efficiency Unleashed: Optimizing Performance with Wiring Know-How
  8. Beyond Basics: Advanced Insights into Malibu's Starting Mechanism
  9. Pro Tips: Ensuring Longevity and Durability in Your Malibu's Starter
  10. Expert Advice: Navigating Challenges with Confidence and Ease

Several Facts that you should know about 2005 CHEVY MALIBU STARTER WIRING DIAGRAM.

Introduction

Welcome to a journey beneath the hood of your 2005 Chevy Malibu! In this guide, we'll unravel the mysteries of the starter wiring diagram, empowering you with the knowledge to navigate your vehicle's electrical intricacies.

Introduction Image

Decoding the Blueprint

Let's start with the basics. The starter system is the heartbeat of your Malibu's engine. Our wiring diagram provides a visual roadmap, simplifying the understanding of each connection. Feel the confidence of decoding your vehicle's essential components.

Decoding the Blueprint Image

DIY Empowerment

This guide isn't just for mechanics. Even if you've never held a wrench, our simplified breakdown empowers you to take control. Learn how to troubleshoot, understand, and potentially resolve starter issues without the need for a professional.

DIY Empowerment Image

Safety First

Before diving into the wiring details, it's crucial to prioritize safety. We'll provide essential tips on handling starter components with care. Protect yourself and your vehicle by following these simple yet crucial precautions.

Safety First Image

Step-by-Step Exploration

Let's visually navigate the wiring diagram together. Each step is broken down, ensuring that you can follow along effortlessly. Whether you're a visual learner or prefer hands-on approaches, this section has you covered.

Step-by-Step Exploration Image

Troubleshooting Insights

Encounter a hiccup in your Malibu's starting system? Fear not! Our guide includes a troubleshooting 101, outlining common starter issues and offering simple solutions. Keep this section bookmarked for quick reference.

Troubleshooting Insights Image

Optimizing Performance

It's not just about fixing problems; it's about enhancing performance. Learn how to optimize your Malibu's starter system for efficiency. Simple adjustments can make a significant difference in your vehicle's overall functionality.

Optimizing Performance Image

Advanced Insights

Ready to go beyond the basics? This section offers advanced insights into your Malibu's starting mechanism. Elevate your understanding and tackle more complex aspects with the confidence of a seasoned mechanic.

Advanced Insights Image

Pro Tips for Longevity

Ensure the longevity and durability of your Malibu's starter with these professional tips. From regular maintenance to proactive measures, discover how to keep your vehicle's heart beating strong for years to come.

Pro Tips for Longevity Image

Expert Guidance

As you embark on your journey into the world of starter wiring, rest assured with expert guidance. Navigate challenges with confidence and ease, armed with the knowledge to keep your Malibu running smoothly.

Expert Guidance Image

The Essence of Understanding: Unveiling the 2005 Chevy Malibu Starter Wiring Diagram

Welcome to a comprehensive exploration of the intricate network beneath the hood of your 2005 Chevy Malibu. In this detailed guide, we will dissect the essential components that make up the starter wiring diagram, providing you with a profound understanding of your vehicle's electrical system.

Decoding the Blueprint

At the heart of your Malibu's engine lies the starter system, a critical component responsible for initiating the ignition process. To decipher the complexities, let's begin by understanding the blueprint of the starter wiring diagram. This visual roadmap serves as the foundation, detailing the intricate connections that power your vehicle's ignition.

Decoding the Blueprint Image

The diagram unfolds like a map, guiding you through a labyrinth of wires and terminals. Each line and connection holds a specific purpose, contributing to the seamless functioning of your Malibu's starting system. As we delve into the details, you'll gain a newfound appreciation for the precision and engineering behind this vital automotive mechanism.

The DIY Empowerment Journey

This guide is not exclusive to seasoned mechanics; it is designed to empower even those who have never ventured into the realm of car maintenance. Armed with the knowledge from this breakdown, you'll discover the confidence to take control of your Malibu's starter system. The simplicity of our explanations ensures that you can navigate through the wiring diagram with ease, regardless of your experience level.

DIY Empowerment Image

Imagine the satisfaction of troubleshooting and understanding your vehicle's electrical components without the need for professional assistance. This section of the guide serves as your gateway to a newfound sense of independence in maintaining and caring for your 2005 Chevy Malibu.

Prioritizing Safety: Tips for Handling Starter Components

Before delving deeper into the wiring intricacies, it is paramount to prioritize safety. Handling electrical components requires caution and awareness. Our guide provides essential tips for ensuring your safety while working on the starter system. From using insulated tools to disconnecting the battery, these precautions create a secure environment for you to explore and understand your Malibu's wiring diagram.

Safety First Image

Consider these safety measures as your armor, protecting you from potential hazards as you embark on the journey of unraveling the secrets within your vehicle. By adopting these practices, you not only enhance your safety but also foster a mindset of responsible and informed car maintenance.

A Step-by-Step Exploration: Navigating the Wiring Diagram

Now, let's embark on a step-by-step exploration of the 2005 Chevy Malibu starter wiring diagram. Each section of the diagram will be dissected and explained, ensuring that you can follow along seamlessly. Visualizing the connections enhances your comprehension, making it easier to grasp the significance of each wire and terminal.

Step-by-Step Exploration Image

Think of this process as unfolding a treasure map, with each fold revealing a new piece of information. The simplicity of our breakdown enables you to navigate through the diagram confidently, fostering a deeper understanding of the electrical pathways that power your Malibu's ignition.

Troubleshooting 101: Common Starter Issues and Solutions

Encountering issues with your Malibu's starter can be a frustrating experience. However, armed with the knowledge from this guide, troubleshooting becomes an accessible and manageable task. In this section, we'll delve into common starter problems and offer straightforward solutions.

Troubleshooting 101 Image

From identifying a faulty connection to understanding the signs of a malfunctioning starter, we'll guide you through the diagnostic process. The goal is to equip you with the skills to identify and address issues efficiently, saving both time and money on potential professional assistance.

Optimizing Performance: Simple Adjustments for Efficiency

While troubleshooting focuses on resolving issues, optimizing performance takes your understanding a step further. Learn how simple adjustments to your Malibu's starter system can enhance overall efficiency. From cleaning connections to ensuring proper grounding, these minor tweaks can make a significant difference in your vehicle's ignition process.

Optimizing Performance Image

Consider this section as a guide to fine-tuning your Malibu for optimal performance. By implementing these straightforward adjustments, you not only ensure a smoother ignition process but also contribute to the longevity of your vehicle's starter system.

Advanced Insights: Elevating Your Understanding

For those seeking a deeper understanding of automotive mechanics, this section provides advanced insights into the Malibu's starting mechanism. Delve into the intricacies of the wiring diagram, exploring components and connections that go beyond the basics.

Advanced Insights Image

From the role of sensors to the impact of modern technology on starter systems, this segment caters to enthusiasts who crave a more profound knowledge of their vehicle's inner workings. Elevate your understanding and appreciate the engineering marvel that powers your 2005 Chevy Malibu.

Pro Tips for Longevity: Ensuring Your Starter's Durability

Preserving the longevity and durability of your Malibu's starter is crucial for a reliable driving experience. In this section, discover professional tips for maintaining your starter system. From regular inspections to proactive measures, these guidelines will help you extend the lifespan of your starter.

Pro Tips for Longevity Image

Consider these pro tips as a preventative maintenance guide, ensuring that your Malibu's starter remains robust and reliable throughout its lifecycle. By adopting these practices, you contribute to the overall health of your vehicle's electrical system

Another point of view about 2005 CHEVY MALIBU STARTER WIRING DIAGRAM.

Hey there, let's talk about the 2005 Chevy Malibu starter wiring diagram. It might sound a bit technical, but trust me, it's not rocket science. Here's my take on it:

  • First off, understanding the starter wiring diagram is like having a backstage pass to your car's inner workings. It's the blueprint of how your Malibu's engine gets the party started.

  • Imagine it as a roadmap with wires leading to different destinations. Each wire has a job, and together, they make your car roar to life. It's like a symphony of electricity under the hood.

  • Now, you might be thinking, "Do I need to be a mechanic to get this?" Absolutely not! This guide is like your friendly GPS through the wiring maze, whether you're a DIY enthusiast or just curious about what's going on in there.

  • Safety is key, though. Before diving into the wires, think of it as handling delicate electronic spaghetti. Our guide gives you tips on handling starter components with care – a bit like being a kitchen pro with electrical gloves on.

  • Alright, now comes the fun part – the step-by-step exploration. It's like unfolding a treasure map. Each fold reveals a new clue about how your Malibu's starter system is wired up. Visualizing it makes everything click, even for non-techies.

  • Troubleshooting 101 – because let's face it, cars can be moody sometimes. This part helps you understand common starter issues and how to fix them. No need to call in the cavalry; you got this!

  • Now, let's talk optimization. Simple tweaks can make your Malibu purr like a content cat. Cleaning connections and ensuring everything is grounded properly – it's like giving your car a little spa day for its electrical system.

  • For those who want to go deeper, we've got advanced insights. It's like going from watching a movie to understanding the behind-the-scenes magic. Sensors, technology – get ready for a backstage tour of your Malibu's starter system.

  • Pro tips for longevity – because who doesn't want their car's starter to go the distance? Regular check-ups and a bit of preventative care can keep your Malibu's starter running strong for the long haul.

  • So, there you have it – the 2005 Chevy Malibu starter wiring diagram decoded in a nutshell. It's not just wires; it's the lifeblood of your car, and understanding it is like holding the key to the kingdom.

Conclusion : Rev Up Your Ride: 2005 Chevy Malibu Starter Wiring Guide Unleashed!.

As we wrap up this journey into the intricacies of the 2005 Chevy Malibu starter wiring diagram, I want to express my gratitude for joining us on this exploration beneath the hood. We've unveiled the secrets of your vehicle's heartbeat, the wiring that powers the ignition, and I hope you feel more connected to your Malibu than ever before.

Remember, the simplicity behind understanding your car's starter system not only empowers you but also fosters a sense of independence in handling potential issues. Whether you're a seasoned DIY enthusiast or someone taking their first steps into the world of car maintenance, the knowledge gained here is your key to a smoother journey on the road. Embrace the simplicity of the wiring diagram, and let it be your guide as you navigate through the complexities under the hood of your 2005 Chevy Malibu. Happy driving!

Question and answer Rev Up Your Ride: 2005 Chevy Malibu Starter Wiring Guide Unleashed!

Questions & Answer :

Q: How can I access the 2005 Chevy Malibu starter wiring diagram?

  • A: Accessing the wiring diagram for your 2005 Chevy Malibu is surprisingly straightforward. You can find it in your vehicle's repair manual, available at auto parts stores or online. Additionally, many online automotive forums and websites provide downloadable versions for quick reference.

Q: Is it essential for me to understand the starter wiring diagram if I'm not a car expert?

  • A: Absolutely. Understanding the starter wiring diagram is like having a basic map for your car's electrical system. It's not reserved for experts only; even a basic understanding empowers you. It can save you money on simple troubleshooting and help you communicate effectively if you need professional assistance.

Q: Are there safety precautions I should take while working with the starter wiring diagram?

  • A: Yes, safety first! When dealing with any electrical components, it's crucial to disconnect the car battery before starting. Additionally, use insulated tools to minimize the risk of electrical shock. Always follow the safety guidelines outlined in your vehicle's repair manual to ensure a secure working environment.

Q: Can I optimize my Malibu's starter performance without professional help?

  • A: Absolutely. Simple adjustments, such as cleaning connections and ensuring proper grounding, can significantly optimize your Malibu's starter performance. This doesn't require advanced technical skills, making it accessible for anyone looking to enhance their vehicle's efficiency.

Q: Where can I find expert insights on advanced aspects of the 2005 Chevy Malibu starter wiring diagram?

  • A: For more advanced insights, consider consulting automotive professionals, online forums, or seeking guidance from experienced mechanics. They can provide in-depth explanations of sensors, technologies, and other intricate components related to your Malibu's starter system.

Q: What are some pro tips for ensuring the longevity of my Malibu's starter?

  • A: Regular maintenance is key. Schedule periodic check-ups, keep an eye on your vehicle's overall health, and address issues promptly. Proactive measures, such as protecting the starter from extreme temperatures and keeping connections clean, contribute to the longevity of your Malibu's starter.

Feel free to explore further and continue learning about your 2005 Chevy Malibu's starter system. The more you know, the more confidently you can navigate the world beneath your car's hood!

Keywords : 2005 CHEVY MALIBU STARTER WIRING DIAGRAM
Share This :