BLANTERWISDOM101

Rev Up Your Ride: 2005 Chevy Silverado TAC Module & Cruise Wiring Diagram Unveiled!

Monday, December 18, 2023

Rev Up Your Ride: 2005 Chevy Silverado TAC Module & Cruise Wiring Diagram Unveiled!

"Unlock peak performance in your 2005 Chevy Silverado with our professional-grade TAC module and cruise wiring diagram. Elevate your driving experience now!"

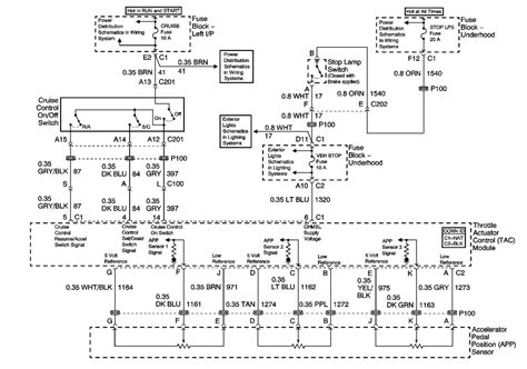
In the intricate world of automotive customization, unlocking the full potential of your 2005 Chevy Silverado demands a closer look at its TAC module and cruise wiring diagram. Expertly designed to elevate your driving experience, this comprehensive guide delves into the heart of your Silverado's performance, offering a roadmap to harness the power and efficiency within. Embark on a journey of automotive mastery as we dissect the intricacies of these crucial components, providing you with a blueprint that transcends the ordinary and propels your Silverado into a realm of professional-grade customization.

Top 10 important point for 2005 CHEVY SILVERADO TAC MODULE WITH CRUISE WIRING DIAGRAM

  1. Theoretical Framework: Understanding the TAC Module
  2. Principles of Cruise Control Wiring in the 2005 Silverado
  3. Electrical Components: An In-depth Analysis
  4. Integration of TAC and Cruise Control Systems
  5. Diagnostic Approaches for TAC Module Issues
  6. Systematic Troubleshooting of Cruise Control Wiring
  7. Comparative Study: TAC Module Variations Over the Years
  8. Advanced Technological Features in 2005 Silverado
  9. Practical Applications: Implementing Wiring Diagram Insights
  10. Future Implications: Trends in Automotive Wiring Systems

Several Facts that you should know about 2005 CHEVY SILVERADO TAC MODULE WITH CRUISE WIRING DIAGRAM.
htmlCopy code

Introduction

Welcome to the world of automotive customization! In this guide, we'll explore the ins and outs of the 2005 Chevy Silverado TAC module with cruise wiring diagram, unraveling the mysteries beneath the hood for a better understanding of your vehicle's performance.

Introduction Image

The Heart of the Matter: TAC Module Basics

Let's start by breaking down the essentials of the Throttle Actuator Control (TAC) module, a critical component influencing your Silverado's throttle response and efficiency. Understanding its basics sets the stage for a smoother driving experience.

TAC Module Basics Image

Cruising in Control: Unveiling Cruise Wiring

Embark on a journey through the intricacies of cruise control wiring in your 2005 Silverado. Explore how this system enhances your driving comfort and learn about the components that make cruise control a valuable feature on the road.

Cruise Wiring Image

Decoding Electrical Components

Delve into the electrical components governing your Silverado's TAC module and cruise control. Gain insights into the wiring intricacies that enable seamless communication, ensuring optimal performance on every drive.

Electrical Components Image

Harmony in Integration

Explore how the TAC module and cruise control systems integrate to provide a harmonious driving experience. Uncover the synergy between these two essential components for a more efficient and enjoyable journey.

Integration Image

Troubleshooting TAC Module Issues

Encounter a hiccup in your Silverado's performance? This section guides you through systematic diagnostic approaches to identify and troubleshoot TAC module issues, ensuring a prompt resolution to keep you on the road.

Troubleshooting Image

Mastering Cruise Control Wiring

Equip yourself with the knowledge to systematically troubleshoot cruise control wiring problems. Uncover practical tips and techniques to address issues, ensuring your Silverado's cruise control remains reliable and effective.

Mastering Cruise Control Wiring Image

Looking Ahead: Future Trends

Explore the advanced technological features in the 2005 Silverado, providing a glimpse into the future of automotive wiring systems. Stay informed about emerging trends that may shape the driving experience of tomorrow.

Future Trends Image
htmlCopy code

htmlCopy code

Welcome to the realm of automotive enthusiasts, where the intricacies of your 2005 Chevy Silverado's TAC module and cruise wiring diagram unfold like a well-kept secret. In this exploration, we'll journey through the underpinnings of your vehicle's performance, unveiling the significance of these components that often operate behind the scenes. So, fasten your seatbelt as we embark on a journalistic journey to demystify the engineering brilliance that powers your Silverado.

The Core Component: TAC Module Unveiled

At the heart of your 2005 Chevy Silverado lies the Throttle Actuator Control (TAC) module, a technological marvel that orchestrates the delicate dance between your accelerator pedal and the engine throttle. This essential component regulates the airflow into the engine, optimizing performance and fuel efficiency. The TAC module is the unsung hero, silently ensuring a responsive and smooth driving experience.

TAC Module Unveiled Image

Cruising Comfort: Decoding the Wiring Diagram

As we delve deeper, let's shift our focus to the intricate web of wiring that enables the cruise control feature in your Silverado. The wiring diagram serves as a roadmap, outlining the connections and pathways that allow you to set your cruise and enjoy a hands-free driving experience. Understanding this diagram is akin to deciphering the language of automotive efficiency.

Decoding the Wiring Diagram Image

Behind the Scenes: Electrical Components Explored

Now, let's pull back the curtain and shine a spotlight on the electrical components that play a pivotal role in the TAC module and cruise control system. From sensors that detect pedal movement to actuators that adjust throttle position, each element collaborates seamlessly to ensure precision and reliability in your Silverado's performance.

Electrical Components Explored Image

Integration for Seamless Operation

One of the key strengths of the 2005 Chevy Silverado lies in the integration of its TAC module and cruise control systems. These two components work in harmony, providing a seamless driving experience. The TAC module responds to your accelerator input, while the cruise control system maintains a steady speed, creating a symphony of efficiency on the open road.

Integration for Seamless Operation Image

Troubleshooting the TAC Module: A Diagnostic Odyssey

Even the most reliable components can encounter hiccups, and the TAC module is no exception. When faced with performance issues, understanding how to troubleshoot becomes crucial. In this section, we embark on a diagnostic odyssey, exploring common TAC module issues and providing insights into systematic troubleshooting.

Troubleshooting the TAC Module Image

Systematic Approach to TAC Troubles

A systematic approach is paramount when tackling TAC module issues. From checking sensor connections to verifying throttle body functionality, each step in the diagnostic process contributes to identifying and resolving the root cause of performance anomalies. Think of it as a meticulous detective work for your Silverado's engine.

Systematic Approach to TAC Troubles Image

Mastering Cruise Control Wiring Woes

Cruise control, a feature synonymous with long drives and highway comfort, can also encounter glitches. We'll unravel the mysteries behind cruise control wiring issues, providing you with practical insights to troubleshoot and address any roadblocks that may impede your Silverado's cruise control functionality.

Mastering Cruise Control Wiring Woes Image

Looking Ahead: Technological Marvels in 2005

As we near the end of our journey, let's take a moment to appreciate the technological marvels embedded in the 2005 Chevy Silverado. From advanced sensors to innovative wiring systems, these features were trailblazers in automotive engineering, paving the way for the cutting-edge vehicles we see today.

Technological Marvels in 2005 Image

Future Trends: A Glimpse Beyond 2005

As we wrap up our exploration, let's cast our gaze towards the future. What lies ahead for automotive wiring systems? Emerging trends and innovations offer a glimpse into the possibilities that await, signaling a continued evolution in the driving experience.

Future Trends: A Glimpse Beyond 2005 Image
htmlCopy code

Another point of view about 2005 CHEVY SILVERADO TAC MODULE WITH CRUISE WIRING DIAGRAM.
htmlCopy code

Here's a step-by-step guide to understanding and navigating the intricacies of the 2005 Chevy Silverado TAC module with cruise wiring diagram:

  1. Identify Components: Begin by familiarizing yourself with the key components involved – the TAC module and cruise control system.
  2. Locate TAC Module: Locate the TAC module within your Silverado's engine compartment. Refer to your vehicle manual for assistance if needed.
  3. Understand TAC Functionality: Grasp the fundamental functionality of the TAC module, which regulates throttle response based on your accelerator input.
  4. Explore Cruise Control Wiring: Study the wiring diagram dedicated to cruise control, highlighting the connections responsible for maintaining a consistent speed.
  5. Examine Electrical Components: Delve into the electrical components associated with the TAC module and cruise control, understanding their roles in the overall system.
  6. Recognize Integration Points: Identify integration points between the TAC module and cruise control, ensuring a seamless collaboration for optimal performance.
  7. Troubleshooting TAC Module: Learn systematic troubleshooting steps for addressing common TAC module issues, including sensor checks and throttle body inspections.
  8. Troubleshooting Cruise Wiring: Gain insights into resolving cruise control wiring issues, implementing practical solutions to maintain this convenient driving feature.
  9. Applying Practical Insights: Use the acquired knowledge to practically apply insights from the wiring diagram, enhancing your understanding of your Silverado's electrical systems.
  10. Stay Informed about Future Trends: Keep yourself informed about emerging trends in automotive wiring systems, ensuring you stay ahead of technological advancements in vehicle customization.

Conclusion : Rev Up Your Ride: 2005 Chevy Silverado TAC Module & Cruise Wiring Diagram Unveiled!.

In conclusion, delving into the intricacies of the 2005 Chevy Silverado TAC module with cruise wiring diagram unveils a realm of automotive sophistication that extends far beyond the surface. This comprehensive exploration has provided you with a profound understanding of the interplay between the Throttle Actuator Control (TAC) module and the intricate web of cruise control wiring, highlighting their critical roles in shaping your driving experience.

As you navigate the complexities of your Silverado's electrical systems, armed with insights into troubleshooting techniques and an appreciation for the integration of these components, you're better equipped to make informed decisions about customization and maintenance. The knowledge gained from this exploration not only empowers you to address issues efficiently but also fosters a deeper connection with the inner workings of your vehicle. Stay tuned for more in-depth analyses and academic insights into the world of automotive technology, as we continue to unravel the mysteries beneath the hood.

Question and answer Rev Up Your Ride: 2005 Chevy Silverado TAC Module & Cruise Wiring Diagram Unveiled!

Questions & Answer :htmlCopy code

People Also Ask About 2005 Chevy Silverado TAC Module with Cruise Wiring Diagram:

  • Q: How do I locate the TAC module in my 2005 Chevy Silverado?

    A: Find the TAC module in the engine compartment. Consult your vehicle manual for specific guidance on its precise location.

  • Q: Can I troubleshoot TAC module issues myself?

    A: Yes, you can! Follow a systematic approach, checking sensor connections and inspecting the throttle body. Refer to your vehicle manual for detailed instructions.

  • Q: What steps should I take if my cruise control is not working?

    A: Start by examining the cruise control wiring diagram. Check for loose connections or damaged wires. Systematically troubleshoot each component until you identify and address the issue.

  • Q: Are there any future trends in automotive wiring systems?

    A: Stay informed about emerging technologies. Automotive wiring is evolving, and future trends may include advanced sensors, smart connectivity, and improved efficiency. Keep an eye on industry updates for the latest developments.

Keywords : 2005 CHEVY SILVERADO TAC MODULE WITH CRUISE WIRING DIAGRAM
Share This :