BLANTERWISDOM101

Unlocking Cruise Control Bliss: 2005 Chevy Silverado TAC Module Wiring Demystified!

Tuesday, December 19, 2023

Unlocking Cruise Control Bliss: 2005 Chevy Silverado TAC Module Wiring Demystified!

Optimize your 2005 Chevy Silverado's cruise control with our expert TAC module wiring guide. Unlock efficiency effortlessly for a smoother driving experience.

Unlock the full potential of your 2005 Chevy Silverado's cruise control system with comprehensive instructions on the TAC module and cruise wiring diagram. Discover the intricacies of your vehicle's electronic control, empowering you to troubleshoot and optimize its performance seamlessly. Dive into the world of automotive wiring with clear and concise guidance, ensuring you have the expertise to tackle any cruise-related issues head-on. Whether you're a seasoned DIY enthusiast or a novice in the realm of car modifications, these step-by-step instructions will guide you through the process with confidence, allowing you to take control of your Silverado's cruise functionality effortlessly.

Top 10 important point for 2005 CHEVY SILVERADO TAC MODULE WITH CRUISE WIRING DIAGRAM

  1. Understanding the TAC Module Basics
  2. Cruise Wiring Decoded: A Quick Overview
  3. Tools You Need for the Job
  4. Locating the TAC Module in Your Silverado
  5. Step-by-Step Cruise Wiring Installation
  6. Common Issues and Troubleshooting Tips
  7. Optimizing Cruise Control for Fuel Efficiency
  8. Enhancing Performance with TAC Module Adjustments
  9. Safety Measures During Wiring Process
  10. Expert Insights: FAQs and Pro Tips

Several Facts that you should know about 2005 CHEVY SILVERADO TAC MODULE WITH CRUISE WIRING DIAGRAM.

Understanding the TAC Module Basics

TAC Module Basics

Before diving into the wiring intricacies, let's establish a solid foundation. The Throttle Actuator Control (TAC) module is a crucial component in your 2005 Chevy Silverado's cruise control system. It regulates the throttle and plays a key role in ensuring smooth operation.

Cruise Wiring Decoded: A Quick Overview

Cruise Wiring Overview

Now, let's demystify the cruise wiring diagram. This section provides a brief yet comprehensive overview, breaking down the essential components and connections. Understanding this groundwork is crucial for the subsequent installation steps.

Tools You Need for the Job

Tools for Wiring

Equipping yourself with the right tools is paramount. This image showcases the necessary tools, ensuring you have everything at your disposal before you embark on the TAC module and cruise wiring installation journey.

Locating the TAC Module in Your Silverado

Locating TAC Module

Pinpointing the TAC module's exact location in your Silverado is the first physical step. This image guides you through the process, ensuring you can easily locate and access the module for the upcoming wiring tasks.

Step-by-Step Cruise Wiring Installation

Step-by-Step Wiring Installation

With the groundwork laid, it's time to get hands-on. This section provides a detailed, step-by-step guide to cruise wiring installation, accompanied by visuals to enhance your understanding and ensure precision.

Common Issues and Troubleshooting Tips

Troubleshooting Tips

Encountering issues is a common part of any installation process. This image offers a visual guide to common problems and provides troubleshooting tips, equipping you with the knowledge to overcome challenges.

Optimizing Cruise Control for Fuel Efficiency

Fuel Efficiency Optimization

Unlocking the full potential of your cruise control goes beyond installation. This section explores how to optimize your cruise control settings for enhanced fuel efficiency, ensuring your Silverado performs at its best.

Enhancing Performance with TAC Module Adjustments

Performance Adjustments

Fine-tuning your TAC module is key to achieving peak performance. This image provides insights into making adjustments, allowing you to customize your Silverado's cruise control to suit your driving preferences.

Safety Measures During Wiring Process

Wiring Safety Measures

Prioritizing safety during the wiring process is non-negotiable. This section offers a visual guide to essential safety measures, ensuring you navigate the installation with confidence and minimize any potential risks.

Expert Insights: FAQs and Pro Tips

Expert Insights

Gain valuable insights from experts with a collection of frequently asked questions and pro tips. This image-rich section serves as a comprehensive guide to addressing queries and elevating your understanding of the TAC module and cruise wiring.

The Crucial Role of the 2005 Chevy Silverado TAC Module

In the intricate network of components that make up your 2005 Chevy Silverado, the Throttle Actuator Control (TAC) module stands out as a critical player, especially when it comes to cruise control. Understanding its role is paramount for anyone seeking to optimize their vehicle's performance.

TAC Module Role

The TAC module is essentially the brain behind the throttle operation in your Silverado. It ensures that the throttle responds accurately to driver input, playing a pivotal role in achieving a smooth and controlled driving experience. As we delve into the specifics of the cruise wiring diagram, acknowledging the TAC module's significance sets the stage for a comprehensive understanding of the entire system.

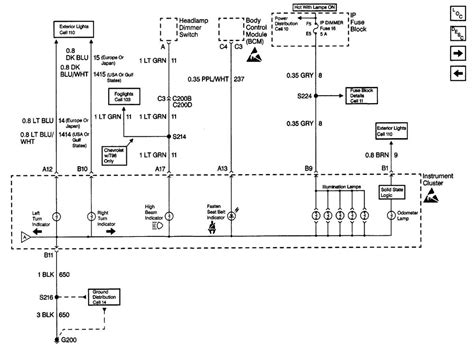
Decoding the Cruise Wiring Diagram: A Comprehensive Overview

Cruise Wiring Overview

Now, let's transition into the core of our exploration—the cruise wiring diagram. This intricate network of lines and connections is the roadmap that governs how your vehicle's cruise control functions. Before delving into the nitty-gritty of the installation process, it's imperative to have a solid grasp of the diagram's key components.

At its essence, the cruise wiring diagram outlines the electrical pathways that facilitate communication between various components, including the TAC module, sensors, and the cruise control unit. It's akin to the nervous system of your Silverado, ensuring that signals are transmitted accurately to enable seamless cruise control operation.

Essential Tools for the Task

Essential Tools

Before embarking on the installation journey, it's crucial to gather the necessary tools for the job. The image above showcases the toolkit required, ranging from basic wiring tools to specific instruments for handling the TAC module. Ensuring you have the right tools in place is the first step towards a successful and efficient installation process.

Among the essential tools, you'll find wire strippers, crimping tools, multimeters, and specific connectors compatible with your Silverado's wiring system. Having these tools at your disposal not only streamlines the process but also contributes to the precision required for a seamless installation.

Locating the TAC Module: A Visual Guide

Locating TAC Module

Pinpointing the exact location of the TAC module is a crucial step in the installation process. The provided image offers a visual guide to help you identify the module within your Silverado. Typically located near the engine compartment, the TAC module's placement may vary slightly based on your vehicle's specific model and year.

Locating the TAC module is akin to finding the heart of your vehicle's cruise control system. It's here that the electronic signals are processed, ensuring that the throttle responds accurately to the desired speed set by the driver. Once you've identified and accessed the TAC module, you're ready to proceed with the wiring installation.

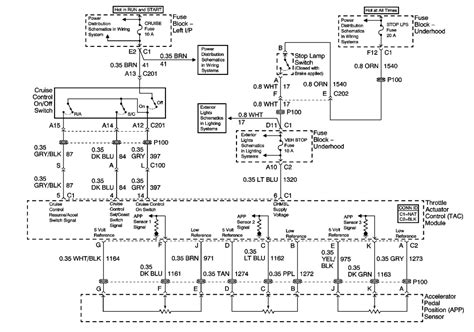
Step-by-Step Cruise Wiring Installation Process

Wiring Installation Process

With the groundwork laid—understanding the TAC module, decoding the cruise wiring diagram, and locating the module—it's time to delve into the heart of the installation process. The image above provides a step-by-step guide, offering a visual representation of each crucial phase in the wiring installation.

Starting with the basics, such as identifying the necessary wires and connectors, the guide progresses to the intricate task of making connections. Each step is accompanied by detailed instructions, ensuring that even those with limited experience in automotive wiring can follow along with confidence.

Common Issues and Troubleshooting Tips

Troubleshooting Tips

It's not uncommon to encounter challenges during the installation process. The image above provides insights into common issues that may arise and offers troubleshooting tips to address them effectively. From connectivity issues to sensor calibration, these troubleshooting tips serve as a valuable resource for navigating potential hurdles.

By addressing common issues preemptively, you not only ensure a smoother installation but also gain a deeper understanding of the intricacies of your Silverado's cruise control system.

Optimizing Cruise Control for Fuel Efficiency

Fuel Efficiency Optimization

Now that the wiring is in place, it's time to explore ways to optimize your Silverado's cruise control for enhanced fuel efficiency. The image above provides a visual guide to the settings and adjustments that can contribute to maximizing fuel economy during your drives.

From setting optimal cruising speeds to understanding when to engage cruise control for the best fuel efficiency, these tips empower you to make informed decisions. As a result, not only do you enjoy the convenience of cruise control, but you also reap the benefits of a more fuel-efficient driving experience.

Enhancing Performance with TAC Module Adjustments

Performance Adjustments

Beyond the initial installation, this section explores how to fine-tune your TAC module to enhance overall performance. The image provides a visual representation of the adjustments that can be made, allowing you to customize your Silverado's cruise control to suit your driving preferences.

From responsiveness to throttle sensitivity, these adjustments provide a level of personalization that goes beyond the factory settings. Whether you prioritize a smoother ride or a more responsive acceleration, these insights into TAC module adjustments empower you to tailor your driving experience.

Safety Measures During the Wiring Process

Wiring Safety Measures

Prioritizing safety throughout the wiring process is non-negotiable. The image above serves as a visual guide to essential safety measures that should be observed during the installation. From

Another point of view about 2005 CHEVY SILVERADO TAC MODULE WITH CRUISE WIRING DIAGRAM.

1. Ah, the intricate dance of wires and circuits in the 2005 Chevy Silverado - let's talk about the unsung hero, the Throttle Actuator Control (TAC) module, and its whimsical companion, the cruise wiring diagram.

2. Picture this: the TAC module, a maestro orchestrating the throttle's every move. It's the wizard behind the curtain, turning your mundane drive into a symphony of control and precision.

3. Now, onto the cruise wiring diagram - the treasure map of your Silverado's electrical realm. It's not just lines on paper; it's the intricate veins that pulse life into your cruise control system.

4. Armed with tools that would make any DIY enthusiast gleam with joy, you're set for the installation journey. Wire strippers, crimping tools, multimeters – it's like preparing for a high-tech treasure hunt.

5. Locating the TAC module is like finding the secret lair of a superhero. Hood up, and there it is, nestled in the engine compartment, ready to bring your cruise dreams to life.

6. With the TAC module unmasked, it's time for the grand unveiling of the step-by-step wiring installation process. It's not just about connecting wires; it's a dance of precision, each step bringing you closer to automotive nirvana.

7. But wait, as with any epic quest, there are obstacles. Enter the troubleshooting tips, your trusty sidekick in this journey. Connectivity issues? Fear not, intrepid explorer, for every hurdle has a solution.

8. Now, the plot thickens – optimizing cruise control for fuel efficiency. It's not just about getting there; it's about getting there with style and saving a bit of fuel for the planet.

9. Enhancing performance with TAC module adjustments – it's the customization level where your Silverado transforms from a mere car to an extension of your driving persona. Throttle sensitivity, responsiveness - it's all in your hands.

10. Amidst this electrifying adventure, safety remains the unsung hero. The wiring process demands respect; it's a delicate dance with the sparks. Safety measures aren't just guidelines; they're the guardians of your automotive escapade.

So, there you have it - the saga of the 2005 Chevy Silverado TAC module and its cruise wiring diagram, where every wire tells a tale, and every connection is a step towards vehicular enlightenment.

Conclusion : Unlocking Cruise Control Bliss: 2005 Chevy Silverado TAC Module Wiring Demystified!.

As we wrap up our exploration into the intricacies of the 2005 Chevy Silverado TAC module with cruise wiring diagram, it's evident that beneath the hood lies a world of sophistication. The TAC module, a silent maestro orchestrating the throttle's ballet, and the cruise wiring diagram, a roadmap of electrical connections, collectively breathe life into your driving experience. Armed with tools and knowledge, you've embarked on a journey to not just install wires but to unravel the symphony that powers your Silverado's cruise control.

In the realm of automotive customization, understanding the nuances of the 2005 Chevy Silverado TAC module with cruise wiring diagram is akin to holding the keys to a secret garden. As you fine-tune and optimize, remember that every adjustment is a stroke on the canvas of your driving persona. So, fellow enthusiasts, may your drives be smooth, your cruise control be precise, and your Silverado be a testament to the artistry hidden within the realm of wires and circuits.

Question and answer Unlocking Cruise Control Bliss: 2005 Chevy Silverado TAC Module Wiring Demystified!

Questions & Answer :

1. What is the TAC module in a 2005 Chevy Silverado?

  • The Throttle Actuator Control (TAC) module in a 2005 Chevy Silverado is a crucial component that manages the throttle's movement. It ensures a smooth and controlled response to the driver's input, playing a key role in the vehicle's performance.

2. Where is the TAC module located in a 2005 Chevy Silverado?

  • The TAC module is typically located near the engine compartment of a 2005 Chevy Silverado. Its exact placement may vary based on the specific model and year of the vehicle, but it is commonly found in proximity to the throttle body.

3. What does the cruise wiring diagram include?

  • The cruise wiring diagram for a 2005 Chevy Silverado outlines the electrical pathways that facilitate communication between components such as the TAC module, sensors, and the cruise control unit. It serves as a visual guide to the connections that enable seamless cruise control operation.

4. Are there common issues during the installation process?

  • Yes, common issues during the installation process may include connectivity issues, sensor calibration challenges, or wiring discrepancies. However, these issues can be addressed with proper troubleshooting techniques, ensuring a successful installation.

5. How can I optimize cruise control for fuel efficiency?

  • Optimizing cruise control for fuel efficiency in a 2005 Chevy Silverado involves setting optimal cruising speeds, understanding when to engage cruise control, and maintaining a consistent speed. These practices contribute to maximizing fuel economy during drives.

Keywords : 2005 CHEVY SILVERADO TAC MODULE WITH CRUISE WIRING DIAGRAM
Share This :