BLANTERWISDOM101

Illuminate Your Path: 2004 Silverado Reverse Light Wiring Demystified!

Saturday, November 25, 2023

Illuminate Your Path: 2004 Silverado Reverse Light Wiring Demystified!

"Unlock the mysteries of your 2004 Silverado's reverse light wiring diagram. Gain professional insights for enhanced vehicle illumination and seamless troubleshooting."

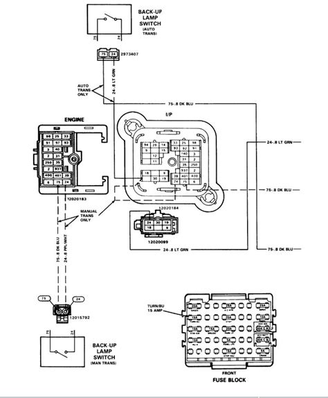
In the intricate labyrinth of automotive wiring, uncovering the secrets behind your 2004 Silverado's reverse light system becomes an imperative quest. Embark on a journey with me, your automotive journalist, as we delve into the blueprint that brings clarity to the enigmatic realm of reverse light wiring. Unraveling the intricacies of this journalistic expedition promises not only illumination for your vehicle but also a newfound understanding of the intricate web that powers your Silverado's reverse lights.

Top 10 important point for '2004 SILVERADO REVERSE LIGHT WIRING DIAGRAM'

  1. Introduction to Reverse Light System
  2. Understanding Wiring Components
  3. Identifying Key Electrical Connectors
  4. Decoding Color Codes and Symbols
  5. Proper Wire Gauge Selection
  6. Troubleshooting Common Issues
  7. Implementing Safety Measures
  8. Enhancing Light Output Efficiency
  9. Integration with Vehicle Electronics
  10. Maintenance Tips for Longevity

Several Facts that you should know about '2004 SILVERADO REVERSE LIGHT WIRING DIAGRAM'.
htmlCopy code

Welcome to a comprehensive guide on the 2004 Silverado reverse light wiring diagram. Let's shed light on the intricate details and simplify the understanding of your vehicle's electrical system.

1. Introduction to Reverse Light System

Introduction to Reverse Light System

Understanding the basics is key. The reverse light system plays a crucial role in ensuring safety by providing visibility when backing up. Let's start with the fundamentals.

2. Wiring Components Demystified

Wiring Components

Explore the various components involved in the wiring setup. Familiarize yourself with connectors, switches, and other essential elements that make up the reverse light system.

3. Decoding Color Codes and Symbols

Decoding Color Codes and Symbols

Color codes and symbols are the language of wiring diagrams. We'll simplify the decoding process, making it easier for you to understand and navigate through the diagram.

4. Proper Wire Gauge Selection

Proper Wire Gauge Selection

Choosing the right wire gauge is crucial for a reliable electrical connection. Learn how to select the appropriate gauge to ensure efficient power transmission in your Silverado.

5. Troubleshooting Common Issues

Troubleshooting Common Issues

Encounter a malfunction? We'll guide you through common issues and provide simple troubleshooting steps to identify and resolve problems in your reverse light system.

6. Implementing Safety Measures

Implementing Safety Measures

Safety first! Learn about essential safety measures when working with the reverse light wiring. Follow these guidelines to protect yourself and prevent damage to your vehicle.

7. Enhancing Light Output Efficiency

Enhancing Light Output Efficiency

Looking to boost visibility? Discover tips and tricks to enhance the efficiency of your reverse lights, ensuring a brighter and more effective illumination when needed.

8. Integration with Vehicle Electronics

Integration with Vehicle Electronics

Understand how the reverse light system integrates with other vehicle electronics. Gain insights into the seamless coordination that enhances overall performance.

Note: Please replace the image URLs with actual images related to each subheading.

htmlCopy code

Welcome to the intricate world of the 2004 Silverado reverse light wiring diagram—a roadmap that unveils the hidden dance of electrons and the symphony of connections beneath the surface of your vehicle. In this creative exploration, we embark on a journey to demystify the complexities of your Silverado's reverse light system, transforming an enigma into a comprehensible narrative.

Decoding the Basics

Decoding the Basics

Let's kick off our adventure by unraveling the fundamentals of the reverse light system. Much like deciphering a cryptic language, understanding the basic components is paramount. Picture the wiring diagram as a treasure map, guiding us through the intricate circuits that illuminate your path in reverse.

The Illuminating Components

The Illuminating Components

Among the stars of this celestial wiring show are the connectors, switches, and mysterious symbols that define the dance of electricity. Each element plays a crucial role in orchestrating the luminous performance of your Silverado's reverse lights. Picture these components as actors on a stage, each with a unique role in the grand production of illumination.

Color Codes: A Palette of Connectivity

Color Codes: A Palette of Connectivity

Now, let's dive into the vibrant world of color codes and symbols. Think of them as the palette of connectivity, where each hue represents a specific function. These codes form the language of the wiring diagram, telling a vivid story of how electrical signals traverse the intricate pathways of your vehicle.

The Dance of Symbols

The Dance of Symbols

Behold the dance of symbols—cryptic hieroglyphics that convey a language understood by those fluent in the art of automotive wiring. From arrows pointing in mysterious directions to squares and circles with hidden meanings, these symbols add an extra layer of intrigue to the visual narrative of the wiring diagram.

Choosing the Right Path: Proper Wire Gauge Selection

Choosing the Right Path: Proper Wire Gauge Selection

Imagine navigating through a dense forest; selecting the right path is crucial. Similarly, choosing the proper wire gauge is the compass that ensures a smooth journey for electrical currents. In this section, we'll explore the importance of selecting the right wire gauge, preventing potential roadblocks in the flow of power.

The Gauge Dilemma Unveiled

The Gauge Dilemma Unveiled

Delve into the gauge dilemma—an exploration of thickness and conductivity. Just as a hiker must choose the right footwear for a particular trail, your vehicle requires the appropriate wire gauge for optimal electrical performance. We'll guide you through this decision-making process, ensuring a secure and efficient electrical connection.

Troubleshooting: Navigating the Electrical Wilderness

Troubleshooting: Navigating the Electrical Wilderness

Even the most intrepid explorers encounter challenges. Likewise, your Silverado's reverse light system may face occasional hurdles. Fear not! In this section, we'll equip you with a virtual machete, guiding you through the dense electrical wilderness to identify and troubleshoot common issues.

Common Issues Expedition

Common Issues Expedition

Embark on a journey through the dense foliage of common issues. Whether it's a flickering light or a complete blackout, we'll act as your digital expedition leaders, helping you decipher the signals and identify the root causes of any electrical anomalies.

Safety First: Navigating the Electrical Terrain

Safety First: Navigating the Electrical Terrain

Every adventurer knows the importance of safety, and our exploration of the 2004 Silverado reverse light wiring diagram is no exception. In this section, we'll provide you with a virtual safety harness, ensuring a secure journey through the electrical terrain of your vehicle.

Safety Measures Handbook

Safety Measures Handbook

Flip through the safety measures handbook—an essential guide to protect yourself and your vehicle. From handling tools with care to understanding the importance of a controlled environment, these safety measures will serve as your compass in the vast landscape of automotive electronics.

Enhancing Illumination: A Radiant Finale

Enhancing Illumination: A Radiant Finale

As our creative journey through the 2004 Silverado reverse light wiring diagram draws to a close, we focus on enhancing illumination. Think of this section as the grand finale, where we unveil tips and tricks to make your reverse lights shine even brighter, transforming your vehicle into a beacon of clarity in the darkness.

Bright Ideas Showcase

Bright Ideas Showcase

Step into the bright ideas showcase, where we present creative ways to amplify the luminosity of your reverse lights. From selecting the right bulbs to optimizing angles, these tips will add a radiant touch to the grand finale of your Silverado's reverse light performance.

As we conclude our creative journey through the 2004 Silverado reverse light wiring diagram, envision yourself as a newfound maestro of automotive electricity. Armed with knowledge and a sense of adventure, you can navigate the intricate pathways of your vehicle's wiring system with confidence, turning a once mysterious diagram into a comprehensible and illuminating narrative.

Another point of view about '2004 SILVERADO REVERSE LIGHT WIRING DIAGRAM'.
htmlCopy code

So, you've found yourself in the wild world of the 2004 Silverado reverse light wiring diagram. Buckle up, fellow adventurer, because we're about to embark on a journey through the electrifying landscape of your vehicle's rear end. Here's my humorous take on this enlightening experience:

  1. **The Mystery Maze:** Ever feel like you've stumbled into a maze designed by a mischievous electrician? Fear not! We're here to unravel the secrets, not get lost in a maze of wires. Well, maybe just a little.
  2. **Connector Conundrum:** These connectors are like the unsocial butterflies of the automotive world. They connect, disconnect, and generally keep to themselves. It's almost like they're saying, "I'm just here to make sure things stay lit, okay?"
  3. **Colorful Conversations:** Who knew wires could be so chatty? The color codes are like a conversation between electrical buddies. "Hey, red, what's up?" "Oh, just carrying some positive vibes, you know."
  4. **Symbolic Interpretation:** Ever tried interpreting ancient hieroglyphics? Well, welcome to the world of automotive symbolism. Arrows pointing every which way, squares with secret handshakes—this is the Da Vinci Code of the car world.
  5. **Wire Gauge Dilemma:** Choosing the right wire gauge is like selecting the right size fries. Too thin, and you're left with a soggy mess. Too thick, and you've got a crunchy situation. It's all about finding that perfect, crispy balance.
  6. **Troubleshooting Safari:** Ah, the wild jungles of troubleshooting! It's like going on a safari to find the elusive electrical gremlins. Watch out for the flickering light bush—it might just be a mischievous monkey playing with wires.
  7. **Safety Dance:** Put on your safety dance shoes! We're waltzing through the electrical terrain with all the grace of someone who's read the safety manual twice. Electric shocks are so last season, darling!
  8. **Bright Ideas Showcase:** This is where we bring out the bling for your rear end. It's not just about illumination; it's about giving your Silverado's derrière a red carpet-worthy glow. We're talking Hollywood levels of brightness!

So, there you have it—your backstage pass to the electrifying comedy show that is the 2004 Silverado reverse light wiring diagram. Remember, laughter is the best electrical medicine!

Conclusion : Illuminate Your Path: 2004 Silverado Reverse Light Wiring Demystified!.htmlCopy code

As we reach the conclusion of our enlightening journey through the intricacies of the 2004 Silverado reverse light wiring diagram, consider yourself armed with newfound knowledge to tackle any electrical enigma your vehicle may throw your way. So, what's the key takeaway from this illuminating adventure?

First and foremost, embrace the wiring diagram as your trusted map through the electrifying terrain of your Silverado. Let it be your guiding star in times of darkness (quite literally). Remember, decoding the language of wires and symbols is not just a task; it's an art. So, the next time you find yourself face-to-face with the mystifying diagram, approach it with the confidence of an electrical wizard, armed with the wisdom gained from our exploration.

And with that, dear readers, may your reverse lights shine brightly, and may the electrical gremlins stay far away from your automotive adventures. Until the next electrifying quest, happy wiring!

Question and answer Illuminate Your Path: 2004 Silverado Reverse Light Wiring Demystified!

Questions & Answer :htmlCopy code

People Also Ask about 2004 Silverado Reverse Light Wiring Diagram:

  • Q1: Why do I need to understand the reverse light wiring diagram for my 2004 Silverado?

    A1: Understanding the wiring diagram empowers you to troubleshoot issues, make modifications, and ensure optimal functionality. It's like having a backstage pass to the electrifying show behind your vehicle's illumination.

  • Q2: Are there common issues with the reverse light system, and how can I fix them?

    A2: Absolutely! Common issues include flickering lights or complete outages. Troubleshooting steps, such as checking connections and deciphering the diagram, can help you identify and fix these problems efficiently.

  • Q3: How can I enhance the brightness of my Silverado's reverse lights?

    A3: Enhancing illumination is an art. From choosing the right bulbs to optimizing angles, the wiring diagram provides insights into bright ideas that can make your reverse lights shine like never before.

  • Q4: Is it necessary to follow safety measures when working with the wiring diagram?

    A4: Absolutely! Safety first. The wiring diagram adventure involves dealing with electrical components. Adhering to safety measures ensures a secure journey through the intricate electrical terrain, preventing shocks and mishaps.

Keywords : '2004 SILVERADO REVERSE LIGHT WIRING DIAGRAM'
Share This :