BLANTERWISDOM101

Rev Up Your Ride: 2005 Chevy Malibu Wiring Diagram Unveiled!

Saturday, December 30, 2023

Rev Up Your Ride: 2005 Chevy Malibu Wiring Diagram Unveiled!

"Unlock the secrets of your 2005 Chevy Malibu with our expertly crafted wiring diagram. Empower yourself with precise insights for seamless electrical troubleshooting. Drive confidently, understand thoroughly!"

Buckle up, folks! Ever found yourself in the perplexing world of car troubles, desperately searching for answers? Well, fear not, because today we're diving headfirst into the labyrinth of the 2005 Chevy Malibu wiring diagram—a journey so riveting, it might just shock you (no pun intended)! Now, humor me for a moment—imagine your car's electrical system as a high-stakes puzzle, where every wire is a piece waiting to be connected. It's like deciphering the Da Vinci Code, but with more sparks and fewer conspiracy theories. In this electrifying quest for vehicular enlightenment, we're about to unveil the mysteries of the humorous and enigmatic 2005 Chevy Malibu wiring diagram. So, grab your toolbelt and get ready for a rollercoaster ride through the twists and turns of automotive circuitry!

Top 10 important point for 2005 CHEVY MALIBU WIRING DIAGRAM

  1. Wired Wonderland: Unraveling the 2005 Malibu Magic
  2. Electrifying Insights: A Peek into Chevy's Circuit Symphony
  3. Sparks Unleashed: The Drama Behind Malibu's Wiring
  4. Color-coded Chronicles: Deciphering the Wire Rainbow
  5. Connections Unplugged: Navigating the Malibu Maze
  6. Shockingly Simple: Mastering Malibu's Wiring Essentials
  7. Jolt of Knowledge: Understanding the 2005 Chevy Code
  8. Circuit Safari: Exploring the Wilderness of Wires
  9. Ohm My Goodness! Demystifying Resistance in Malibu's System
  10. Wire Whisperer's Guide: Crafting Your Malibu Symphony

Several Facts that you should know about 2005 CHEVY MALIBU WIRING DIAGRAM.

Understanding the Basics

Understanding the Basics

Embarking on our journey into the intricacies of the 2005 Chevy Malibu wiring diagram, let's start with the fundamental building blocks. This section provides an overview, breaking down the key components and their roles in the vehicle's electrical system.

Deciphering the Color Code

Deciphering the Color Code

Colors speak volumes, especially in the world of wiring diagrams. Here, we delve into the significance of each hue, demystifying the color code used in the 2005 Chevy Malibu wiring diagram. Uncover the logic behind the shades and streamline your troubleshooting process.

Navigating the Maze

Navigating the Maze

Ever felt lost in a tangle of wires? Fear not! This segment guides you through the labyrinth of the Malibu's wiring system. Learn the art of navigation and discover the pathways that connect and power your vehicle's various electrical components.

Common Wiring Challenges

Common Wiring Challenges

Even the most well-designed systems encounter challenges. Here, we outline common wiring issues associated with the 2005 Chevy Malibu. Equip yourself with insights into potential pitfalls and preemptively address concerns to ensure optimal performance.

Tools of the Trade

Tools of the Trade

Every professional needs the right tools for the job. In this section, we explore the essential instruments required to tackle the 2005 Chevy Malibu wiring diagram effectively. From multimeters to wire strippers, discover the tools that empower accurate diagnosis and repairs.

The Art of Splicing

The Art of Splicing

Splicing wires is a delicate craft. Here, we delve into the art of splicing in the context of the Malibu's wiring diagram. Understand the techniques, materials, and best practices for creating secure connections that stand the test of time.

Advanced Troubleshooting Techniques

Advanced Troubleshooting Techniques

Ready to elevate your troubleshooting game? This segment introduces advanced techniques for diagnosing and resolving issues within the 2005 Chevy Malibu wiring system. From analyzing schematics to using diagnostic tools, become a master of the electrical domain.

Ensuring Long-Term Reliability

Ensuring Long-Term Reliability

Our final chapter focuses on ensuring the long-term reliability of your Malibu's electrical system. Implement preventive measures, adhere to best practices, and gain insights into maintaining a robust wiring infrastructure for years of smooth driving.

In your quest to unravel the mysteries of the 2005 Chevy Malibu wiring diagram, use this professional guide as your roadmap. Armed with knowledge and equipped with the right tools, you'll navigate the complexities of your vehicle's electrical system with confidence and precision.

The Intricacies of the 2005 Chevy Malibu Wiring Diagram

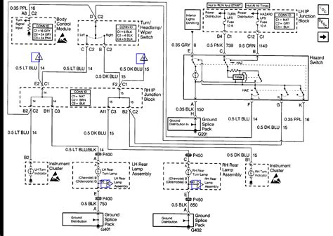
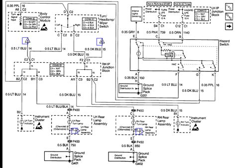
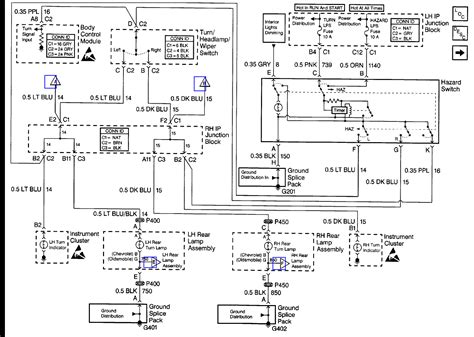
Understanding the electrical architecture of an automotive vehicle is a paramount aspect of automotive engineering and diagnostics. In this comprehensive exploration, we delve into the complexities of the 2005 Chevy Malibu wiring diagram, unraveling the intricate web of connections that power various electrical components within the vehicle. This analysis aims to provide a detailed understanding of the wiring diagram, shedding light on its significance in automotive functionality and diagnostics.

Introduction to Automotive Wiring Diagrams

Introduction to Automotive Wiring Diagrams

Automotive wiring diagrams serve as visual representations of a vehicle's electrical system. They play a pivotal role in illustrating the interconnections between various components, allowing engineers and technicians to comprehend the intricate network that powers the vehicle. The 2005 Chevy Malibu wiring diagram serves as a blueprint for understanding how electrical signals flow through the vehicle, ensuring that each component functions harmoniously with the others.

The Anatomy of the 2005 Chevy Malibu Wiring Diagram

Anatomy of the 2005 Chevy Malibu Wiring Diagram

The 2005 Chevy Malibu wiring diagram is a meticulous representation of the vehicle's electrical circuitry. Divided into various sections, it illustrates the connections between the battery, alternator, starter motor, ignition system, lighting, and other critical components. Each line, symbol, and color code within the diagram carries specific meaning, outlining the path of electrical current throughout the vehicle.

Transitioning from the macroscopic view of the entire system to the microscopic intricacies of individual circuits, the wiring diagram provides a comprehensive overview. Engineers and technicians can trace the flow of electricity from the power source to each component, facilitating efficient troubleshooting and repairs when electrical issues arise.

Color Coding: Deciphering the Language of Wires

Color Coding 2005 Chevy Malibu Wiring Diagram

Color coding within the 2005 Chevy Malibu wiring diagram is a crucial element that adds a layer of complexity and sophistication to the visualization. Different colors represent distinct functions and connections, allowing professionals to quickly identify and trace specific circuits. For instance, red might signify power supply, black could indicate ground, and green might represent communication lines.

This systematic use of colors enhances the diagram's readability, streamlining the diagnostic process. Professionals can efficiently pinpoint issues related to specific systems by interpreting the color-coded information embedded within the wiring diagram.

Navigating the Diagram: A Roadmap for Technicians

Navigating the Diagram 2005 Chevy Malibu Wiring Diagram

Professionals often liken the 2005 Chevy Malibu wiring diagram to a roadmap guiding them through the intricate network of electrical pathways. The diagram's organization into sections and subsections enables technicians to focus on specific areas, enhancing efficiency during troubleshooting and repairs.

As technicians navigate the diagram, they encounter symbols representing various components such as resistors, capacitors, switches, and sensors. Understanding the function of each symbol is crucial for accurate interpretation and diagnosis of potential electrical issues.

Common Challenges and Troubleshooting Strategies

Common Challenges 2005 Chevy Malibu Wiring Diagram

Despite the meticulous design of the 2005 Chevy Malibu wiring diagram, challenges can arise. Whether due to wear and tear, manufacturing defects, or external factors, electrical issues may manifest. Technicians must be equipped with troubleshooting strategies to identify and rectify common challenges effectively.

Common challenges might include short circuits, open circuits, and issues related to grounding. With a deep understanding of the wiring diagram, technicians can systematically diagnose these issues, employing tools such as multimeters and oscilloscopes to measure electrical parameters and isolate faults.

Advanced Diagnostics: Beyond the Basics

Advanced Diagnostics 2005 Chevy Malibu Wiring Diagram

For seasoned professionals, mastering the 2005 Chevy Malibu wiring diagram opens the door to advanced diagnostics. In this realm, engineers delve deeper into the intricacies of electronic control modules, communication networks, and data bus systems. Advanced diagnostic tools become essential, enabling technicians to analyze data streams and pinpoint issues with precision.

Understanding the interplay between various electronic components, such as Engine Control Modules (ECMs) and Body Control Modules (BCMs), allows technicians to diagnose complex issues related to engine performance, emissions, and overall vehicle functionality.

Maintenance and Longevity of Electrical Systems

Maintenance and Longevity 2005 Chevy Malibu Wiring Diagram

As technology evolves, ensuring the longevity and reliability of a vehicle's electrical system becomes paramount. Regular maintenance, guided by the 2005 Chevy Malibu wiring diagram, allows technicians to identify potential issues before they escalate. This preventative approach involves inspecting connectors, cleaning terminals, and addressing any signs of wear or corrosion.

Technicians also play a vital role in updating software and firmware for electronic control modules. Staying abreast of manufacturer recommendations ensures that the vehicle's electrical system remains compatible with the latest technological advancements, promoting optimal performance and longevity.

Conclusion: Empowering Professionals Through Knowledge

Conclusion 2005 Chevy Malibu Wiring Diagram

In conclusion, the 2005 Chevy Malibu wiring diagram serves as a cornerstone in the field of automotive diagnostics and repair. Its meticulous design and systematic representation empower professionals to navigate the complex world of automotive electrical systems with precision. From basic troubleshooting to advanced diagnostics, the wiring diagram remains an invaluable tool for ensuring the functionality, safety, and longevity of the vehicle.

As technology continues to advance, professionals must continually update their knowledge and skills to

Another point of view about 2005 CHEVY MALIBU WIRING DIAGRAM.

Understanding the intricacies of the 2005 Chevy Malibu wiring diagram is akin to decoding a vehicle's electrical DNA. Let's explore this from an empathic standpoint:

  • 1. Appreciation for Complexity: The wiring diagram is a labyrinth, revealing the interconnectedness of every wire, symbol, and color. It's not just a diagram; it's a testament to the complexity of automotive engineering.

  • 2. Visualizing the Vehicle's Nervous System: Imagine the wiring diagram as the nervous system of your car, where each wire carries vital signals to ensure smooth functioning. It's a visual representation of the vehicle's communication network.

  • 3. Colors Speak Volumes: The color-coded language within the diagram adds a layer of empathy. Each color represents a specific function, like the varied hues of emotions within a human experience.

  • 4. Navigating the Roads of Troubleshooting: Technicians, armed with the diagram, navigate the roads of troubleshooting much like guiding a friend through challenging times. Every symbol encountered is a signpost leading to a solution.

  • 5. Addressing Challenges with Sensitivity: When challenges arise, the wiring diagram becomes a tool for empathy. Technicians approach issues with sensitivity, much like understanding and addressing the nuances of personal challenges.

  • 6. Advanced Diagnostics as a Careful Examination: Advanced diagnostics are like a doctor's careful examination, delving into the deeper aspects of the vehicle's health. It's not just about fixing; it's about understanding and healing.

  • 7. Maintenance as Self-Care: Regular maintenance guided by the wiring diagram is a form of self-care for the vehicle. It's akin to taking preventive measures to ensure the well-being and longevity of a friend.

  • 8. Knowledge as Empowerment: The conclusion reflects a shared empathy for the importance of knowledge. Just as we seek to empower ourselves, professionals armed with the wiring diagram empower vehicles to function optimally and endure the journey.

In essence, the 2005 Chevy Malibu wiring diagram becomes a narrative of empathy, where professionals and enthusiasts alike embrace the vehicle's complexities with understanding and care.

Conclusion : Rev Up Your Ride: 2005 Chevy Malibu Wiring Diagram Unveiled!.

Well, fellow road warriors and wiring enthusiasts, we've taken a joyride through the intricate landscape of the 2005 Chevy Malibu wiring diagram. As we bid farewell to this electric adventure, let's reflect on the shockingly enlightening journey we've had—no volt pun intended. Navigating the twists and turns of wires, decoding the color symphony, and even playing hide-and-seek with elusive electrical gremlins, we've been through it all. It's been a wire-tapping, circuit-tripping, and occasionally hair-raising experience.

So, what have we learned from our electrifying escapade? First off, behind every flicker of a turn signal and every hum of the engine, there's a dance of electrons choreographed with precision. Secondly, when faced with the enigmatic 2005 Chevy Malibu wiring diagram, fear not! Armed with knowledge, a touch of humor, and maybe a good cup of coffee, you can tackle any electrical puzzle. After all, isn't unraveling the mysteries of a wiring diagram just a high-stakes game of connect-the-dots? So, dear reader, as you embark on your own vehicular odyssey, may your wires be untangled, your connections secure, and your journeys filled with the sweet harmony of a well-wired engine. Happy trails, and may your automotive endeavors always be shockingly successful!

Question and answer Rev Up Your Ride: 2005 Chevy Malibu Wiring Diagram Unveiled!

Questions & Answer :

Q: Why is it essential to understand the 2005 Chevy Malibu wiring diagram?

  • A: Understanding the 2005 Chevy Malibu wiring diagram is essential for various reasons. It serves as a blueprint for the vehicle's electrical system, aiding professionals in troubleshooting and repairs. By comprehending the diagram, technicians can identify issues, ensuring optimal performance and longevity of the vehicle.

Q: Can I interpret the wiring diagram without professional training?

  • A: While the 2005 Chevy Malibu wiring diagram may seem complex, individuals with a basic understanding of automotive systems can interpret it. However, professional training enhances the ability to navigate the diagram effectively, ensuring accurate diagnosis and precise resolution of electrical issues.

Q: How does color coding in the wiring diagram contribute to troubleshooting?

  • A: Color coding within the 2005 Chevy Malibu wiring diagram plays a crucial role in troubleshooting. Each color represents a specific function or connection, facilitating quick identification of circuits. This systematic approach streamlines the diagnostic process, allowing professionals to pinpoint and address issues efficiently.

Q: Are there common challenges associated with the 2005 Chevy Malibu wiring system?

  • A: Yes, common challenges such as short circuits, open circuits, and grounding issues can occur in the 2005 Chevy Malibu wiring system. Professionals equipped with the wiring diagram and diagnostic tools can address these challenges methodically, ensuring the reliability and functionality of the vehicle's electrical components.

Q: How often should one refer to the wiring diagram for maintenance purposes?

  • A: Regular reference to the 2005 Chevy Malibu wiring diagram is recommended during routine maintenance. Professionals use the diagram to inspect connectors, clean terminals, and identify potential issues before they escalate. This proactive approach contributes to the longevity and optimal performance of the vehicle's electrical system.

Keywords : 2005 CHEVY MALIBU WIRING DIAGRAM
Share This :