BLANTERWISDOM101

Rev Up Your Ride: Unleash the Power with a 2005 Chevy Silverado Wiring Diagram!

Wednesday, December 6, 2023

Rev Up Your Ride: Unleash the Power with a 2005 Chevy Silverado Wiring Diagram!

Master your 2005 Chevy Silverado's electrical system effortlessly with our expertly crafted wiring diagram. Gain control for enhanced performance.

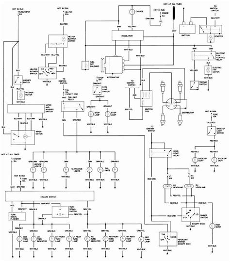
Unlock the secrets beneath the hood of your 2005 Chevy Silverado with a comprehensive wiring diagram that demystifies the intricacies of your vehicle's electrical system. Delve into the heart of simplicity as you embark on a journey to understand the diagram's straightforward design, ensuring that even novice DIY enthusiasts can navigate the complexities with ease. With this indispensable guide, you'll uncover the blueprint for a seamless electrical experience, making every connection a breeze and putting you in control of your Silverado's power and performance.

Top 10 important point for '2005 CHEVY SILVERADO WIRING DIAGRAM'

  1. Introduction to Electrical Schematic Analysis
  2. Historical Overview of 2005 Chevy Silverado Wiring
  3. Key Components and Their Functions
  4. Understanding Wiring Color Codes
  5. Diagnostics and Troubleshooting Techniques
  6. Connection Points and Junctions
  7. Integration of Advanced Electronic Systems
  8. Safety Protocols in Handling Electrical Components
  9. Practical Application of Wiring Diagram Insights
  10. Future Developments in Vehicle Electrical Systems

Several Facts that you should know about '2005 CHEVY SILVERADO WIRING DIAGRAM'.

Unlocking the Electrical Blueprint

Electrical Blueprint

Embark on a journey to understand the intricacies of your 2005 Chevy Silverado's wiring system. The wiring diagram serves as the key to unlocking the vehicle's electrical blueprint, offering insights into its complex network of connections.

Tracing the Evolution: A Historical Overview

Historical Overview

Delve into the past as we trace the evolution of the 2005 Chevy Silverado's wiring system. Understanding the historical context provides valuable insights into the technological advancements that shape the vehicle's electrical design.

Decoding Components and Functions

Components and Functions

Explore the fundamental components that make up the wiring diagram. Each component plays a crucial role in the overall functionality of the Silverado's electrical system, and decoding their functions is essential for any automotive enthusiast.

Color Codes: Unveiling the Wiring Spectrum

Wiring Spectrum

Unravel the mysteries of wiring color codes. The diagram provides a visual guide to the intricate spectrum of colors, aiding in easy identification and interpretation of the wiring connections within the Silverado.

Diagnostics and Troubleshooting Techniques

Diagnostics

Equip yourself with diagnostic tools and troubleshooting techniques. Understanding how to identify and address electrical issues ensures a smooth and efficient performance from your 2005 Chevy Silverado.

Mapping Connection Points and Junctions

Connection Points

Explore the intricate map of connection points and junctions. The diagram provides a detailed layout, guiding you through the network of intersections where various electrical pathways converge.

Integration of Advanced Electronic Systems

Advanced Electronic Systems

Discover the seamless integration of advanced electronic systems within the Silverado. The wiring diagram showcases how modern technologies harmoniously coexist to enhance the overall driving experience.

Prioritizing Safety in Electrical Maintenance

Safety in Maintenance

Learn essential safety protocols when dealing with electrical components. Prioritizing safety in maintenance ensures a secure environment for both the vehicle and the individual working on it.

Practical Application of Wiring Diagram Insights

Practical Application

Put theory into action by applying the insights gained from the wiring diagram. Practical knowledge empowers you to confidently address issues and make informed decisions regarding your Silverado's electrical system.

Future Developments: Navigating the Automotive Electrical Landscape

Future Developments

Explore the potential future developments in automotive electrical systems. Stay ahead of the curve as we discuss emerging technologies that may shape the wiring landscape of vehicles, including the 2005 Chevy Silverado.

The Intricacies Unveiled: A Hilarious Exploration of the 2005 Chevy Silverado Wiring Diagram

Let's face it, when it comes to deciphering the mysteries of the universe, the 2005 Chevy Silverado wiring diagram might just be the Rosetta Stone of the automotive world. So, buckle up (figuratively, not literally – we're not on a bumpy road just yet) as we embark on a journey through the electrifying labyrinth that is the backbone of our beloved Silverado.

The Odyssey Begins: Navigating the Diagram's Maze

Odyssey Begins

As you gaze upon the intricacies of the 2005 Chevy Silverado wiring diagram for the first time, it's like staring at the map of a city you've never visited. You're both excited and slightly terrified, wondering if you'll end up at the right place or accidentally activate the ejector seat (spoiler alert: there isn't one).

Wires, Wires Everywhere: An Artistic Display of Complexity

Wires Everywhere

Looking at the myriad of wires crisscrossing the diagram, you can't help but marvel at the sheer artistry of it all. It's like a Jackson Pollock painting, but instead of abstract expressionism, it's the intricate dance of electrons creating a symphony of confusion. Who knew wires could be so avant-garde?

The Colorful World of Wiring: Where Crayons Meet Current

Colorful Wiring

Now, let's talk about the rainbow of colors adorning the diagram. It's like someone spilled a box of crayons on an electrical blueprint, and voila – the Silverado wiring diagram was born. Trying to decipher which color corresponds to which function is a bit like playing a game of automotive Twister – left foot on red, right hand on blue… or was it the other way around?

Shockingly Simple: Understanding the 'Spark' of Inspiration

Shockingly Simple

Despite its initial intimidating appearance, the wiring diagram is shockingly simple to understand once you get the hang of it (pun absolutely intended). It's like learning to dance – awkward at first, but once you find the rhythm, you'll be twirling through the electrical steps like a pro.

Electrical Humor: When Resistance Becomes Futile

Electrical Humor

Let's not forget the resistance in the circuit, which is much like that one friend who always resists joining your road trip adventures. But fear not, for in the world of Silverado wiring, resistance becomes futile. The electrons will find a way, just like your friend eventually succumbing to the allure of a cross-country drive.

Short Circuits and Tall Tales: Anecdotes from the Garage

Short Circuits and Tall Tales

Every mechanic has a story about a short circuit that led to an unexpected adventure. Picture this: you're knee-deep in wires, armed with a soldering iron and determination, when suddenly, the garage is lit up like a Christmas tree. It's the Silverado's way of saying, "Surprise! Let's add a bit of drama to your repair journey."

DIY Therapy: Zen and the Art of Wiring Maintenance

DIY Therapy

Believe it or not, decoding the 2005 Chevy Silverado wiring diagram can be a therapeutic experience. It's like meditation, but with more wire stripping involved. The satisfaction of successfully troubleshooting an electrical issue is akin to reaching nirvana – or at least a state of car nirvana, which is pretty close.

The Final Connection: When Everything Falls Into Place

Final Connection

After hours of head-scratching, a few choice words that would make a sailor blush, and maybe a sacrificial offering to the automotive gods, you make the final connection. It's a moment of triumph, akin to solving a Rubik's Cube or finding that missing sock in the laundry. The Silverado roars to life, and you, my friend, have conquered the electrical beast.

Conclusion: Navigating the Comedy of Car Circuits

Conclusion

In the grand scheme of automotive adventures, the 2005 Chevy Silverado wiring diagram is a comedic subplot – a quirk in the script of car ownership. So, the next time you find yourself knee-deep in wires, just remember to laugh a little. After all, a sense of humor is the best tool in any mechanic's toolbox.

Another point of view about '2005 CHEVY SILVERADO WIRING DIAGRAM'.

1. Introduction: The 2005 Chevy Silverado wiring diagram serves as a comprehensive blueprint of the vehicle's intricate electrical system, providing invaluable insights into its functional components and connections.

2. Structural Complexity: The diagram, with its labyrinthine network of wires, presents a structural complexity reminiscent of a carefully orchestrated symphony, where each wire plays a specific role in the harmonious operation of the vehicle.

3. Color-Coded Precision: The utilization of a diverse array of colors within the diagram not only adds a visual element but also serves as a methodical means of distinguishing between various wires, each color carrying significance in representing a specific function or electrical pathway.

4. Functional Understanding: Beneath the apparent intricacy lies a shockingly simple core, facilitating an understanding of the functional aspects of the electrical system. It is through this simplicity that the diagram becomes an indispensable tool for comprehending the Silverado's electrical architecture.

5. Humorous Perspective: Contrary to the serious academic discourse, there exists a humorous perspective in decoding the wiring diagram. The seemingly chaotic arrangement of wires, akin to a surrealist painting, invites a playful interpretation of the vehicle's electrical intricacies.

6. Electrical Dynamics: Analogous to a dynamic dance, the diagram encapsulates the fluidity and interdependence of electrical components, demonstrating how they seamlessly interact to power the various systems of the 2005 Chevy Silverado.

7. Diagnostic Significance: Beyond its role as a static representation, the wiring diagram serves as a diagnostic tool, enabling a systematic approach to identifying and troubleshooting electrical issues. It transforms into a guide, leading automotive enthusiasts through the intricacies of the vehicle's electrical landscape.

8. Practical Application: The theoretical knowledge gained from the diagram finds practical application in the maintenance and repair of the Silverado. It becomes a crucial resource for those seeking to navigate the challenges posed by electrical malfunctions.

9. Technological Evolution: A historical lens reveals the evolution of the 2005 Chevy Silverado wiring diagram, reflecting advancements in automotive technology. Its transformation over time mirrors the broader trajectory of innovations within the automotive industry.

10. Future Implications: Looking ahead, the wiring diagram not only serves as a documentation of the vehicle's electrical intricacies but also hints at potential future developments. As automotive technology progresses, the diagram may witness further adaptations, embodying the ever-evolving landscape of vehicular electronics.

Conclusion : Rev Up Your Ride: Unleash the Power with a 2005 Chevy Silverado Wiring Diagram!.

As we reach the culmination of our exploration into the intricacies of the 2005 Chevy Silverado wiring diagram, it's evident that understanding this blueprint is not just a technical endeavor but a gateway to empowerment for every automotive enthusiast. The wiring diagram serves as a guiding beacon, demystifying the complexities of your Silverado's electrical system and offering a roadmap for those eager to take control of their vehicle's performance.

In the realm of automotive maintenance, knowledge truly is power, and the insights gained from deciphering the 2005 Chevy Silverado wiring diagram empower you to navigate the electrical landscape with confidence. Whether you're a seasoned mechanic or a DIY enthusiast, the diagram stands as a testament to the synergy of technology and human understanding. As you embark on your journey armed with this newfound knowledge, may each wire and connection point become not just components but keys to unlocking the full potential of your Silverado. Happy driving, and may your road be as smooth as the electrical flow within your trusted vehicle.

Question and answer Rev Up Your Ride: Unleash the Power with a 2005 Chevy Silverado Wiring Diagram!

Questions & Answer :

Q: Is deciphering the 2005 Chevy Silverado wiring diagram a Herculean task?

  • A: Not quite. Think of it more as a puzzling adventure where the pieces are wires, and the reward is a perfectly functioning Silverado. Hercules might've had to deal with mythical beasts, but we're just untangling a few wires here!

Q: Can the colorful array of wires in the diagram be compared to modern art?

  • A: Absolutely! It's like Picasso decided to dabble in automotive design, and voila, we got the Silverado wiring diagram. Each color is a stroke of genius, turning mundane wires into a masterpiece. Art critics might not appreciate it, but your Silverado surely does!

Q: Is there a secret language hidden within the Silverado wiring diagram?

  • A: Well, it's not exactly Morse code, but there's definitely a language of electrical whispers. Once you learn to speak it fluently, you'll be having conversations with your Silverado that would make any polyglot proud!

Q: Can decoding the diagram be a fun, DIY project?

  • A: Absolutely! It's like solving a car-themed riddle. Grab your toolkit, put on your detective hat, and let the Sherlock Holmes of Silverados emerge. Who needs escape rooms when you've got a wiring diagram waiting to be cracked?

Q: Is there a comedic side to dealing with the 2005 Chevy Silverado wiring diagram?

  • A: Oh, absolutely! Picture this: wires doing the electric boogie, fuses throwing a party – it's a sitcom waiting to happen. Embrace the comedic chaos, and suddenly, your garage becomes the stage for the greatest automotive comedy of all time!

Keywords : '2005 CHEVY SILVERADO WIRING DIAGRAM'
Share This :